GM Service Manual Online
For 1990-2009 cars only
Makes
🢒
Cadillac
🢒
1999
🢒
DeVille
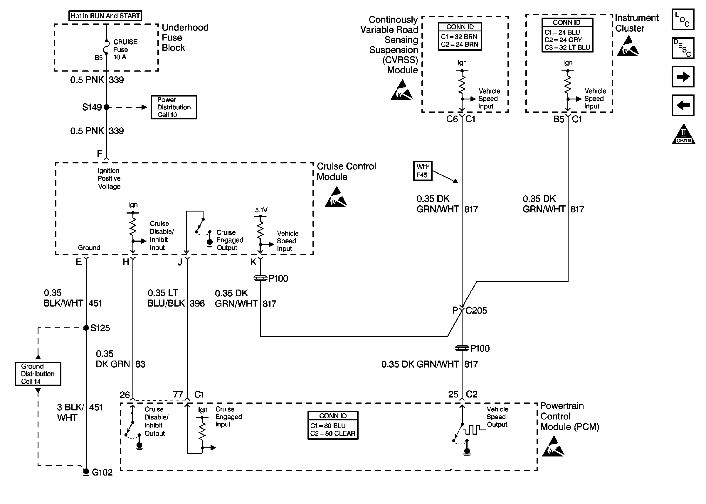
🢒 Cell 20: Vehicle Speed Output and Cruise Control Module
Cell 20: Vehicle Speed Output and Cruise Control Module
Cell 20: Vehicle Speed Output and Cruise Control Module
Engine Controls Components
Powertrain Control Module Description
Cell 20: EBTCM, Generator, A/C Relay and RSS
Cell 20: IAC Valve and PSP, Oil Level Switches
OBD II Symbol Description Notice
Power Distribution Schematics
Ground Distribution Schematics
Powertrain Control Module Connector End Views
Handling ESD Sensitive Parts Notice
Handling ESD Sensitive Parts Notice
Handling ESD Sensitive Parts Notice
Handling ESD Sensitive Parts Notice