GM Service Manual Online
For 1990-2009 cars only
Makes
🢒
Cadillac
🢒
1999
🢒
DeVille
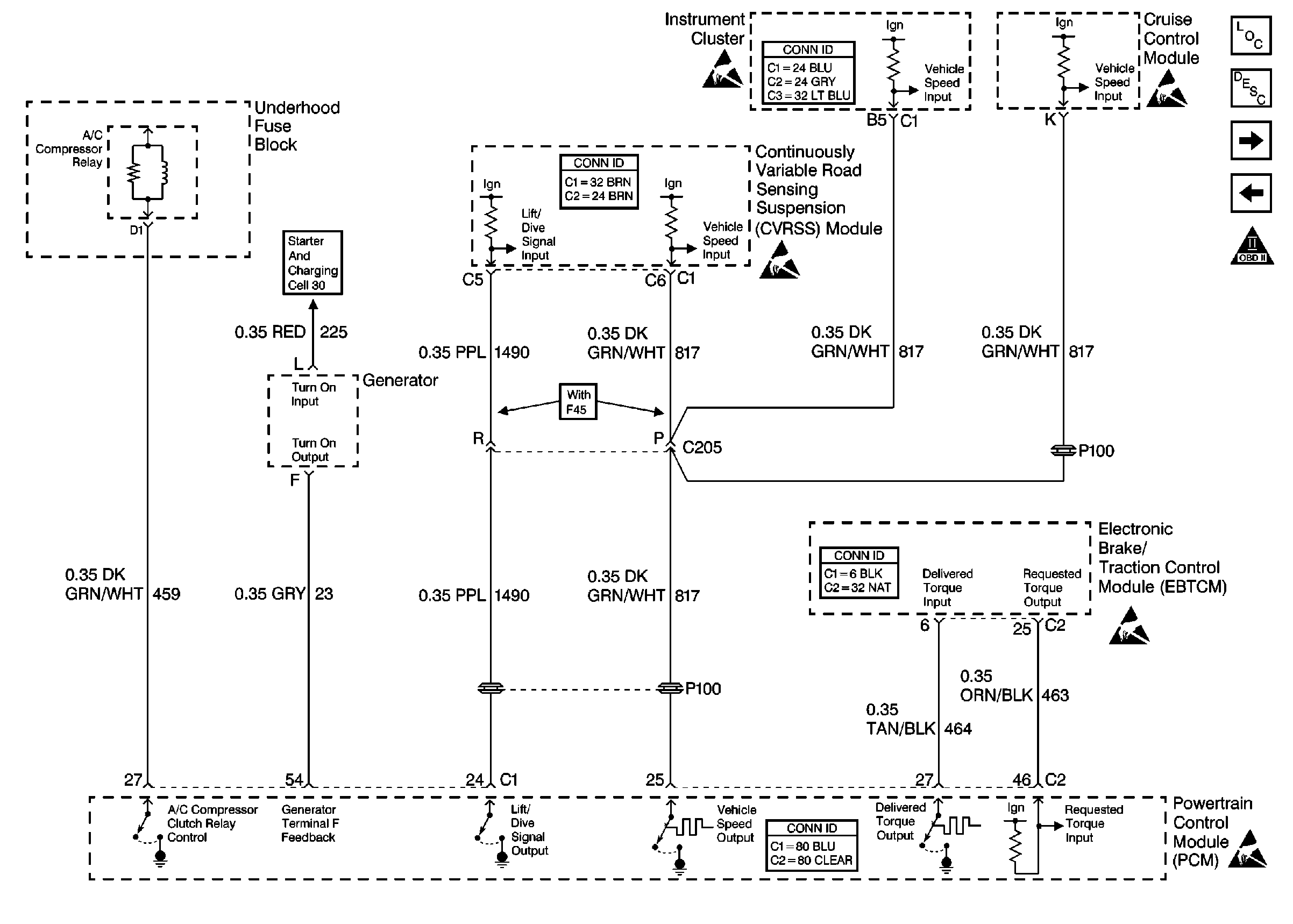
🢒 Cell 20: EBTCM, Generator, A/C Relay and RSS
Cell 20: EBTCM, Generator, A/C Relay and RSS
Cell 20: EBTCM, Generator, A/C Relay and RSS
Engine Controls Components
Powertrain Control Module Description
Cell 20: ABS/TCC Switch and Transaxle Solenoids
Cell 20: Vehicle Speed Output and Cruise Control Module
OBD II Symbol Description Notice
Powertrain Control Module Connector End Views
Handling ESD Sensitive Parts Notice
Handling ESD Sensitive Parts Notice
Handling ESD Sensitive Parts Notice
Handling ESD Sensitive Parts Notice
Handling ESD Sensitive Parts Notice
Starting and Charging Schematics