GM Service Manual Online
For 1990-2009 cars only
Makes
🢒
Cadillac
🢒
1999
🢒
DeVille
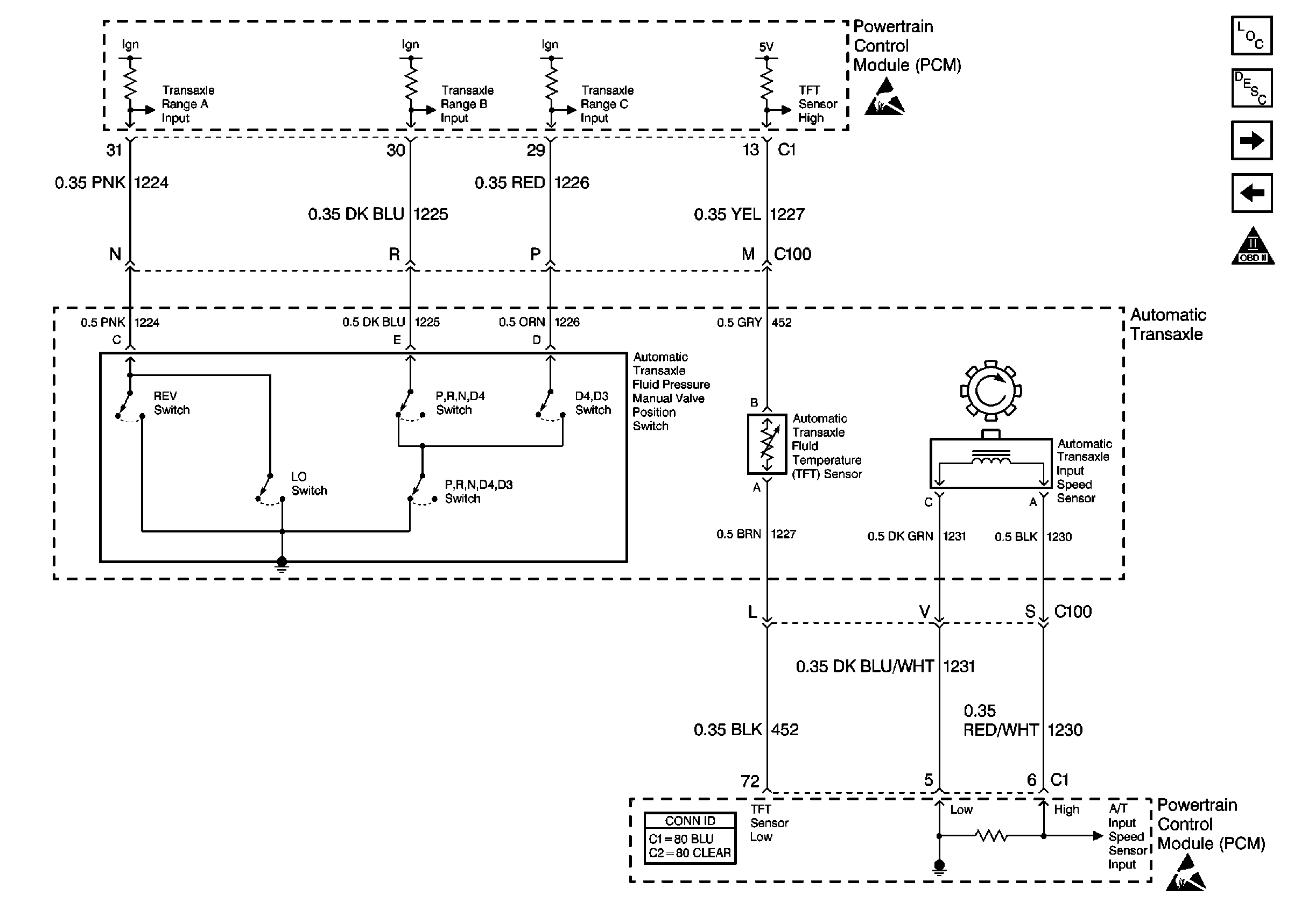
🢒 Cell 20: Transaxle Sensors and TR Switch
Cell 20: Transaxle Sensors and TR Switch
Cell 20: Transaxle Sensors and TR Switch
Engine Controls Components
Powertrain Control Module Description
Cell 20: Park/Neutral Position Switch and VSS
Cell 20: ABS/TCC Switch and Transaxle Solenoids
OBD II Symbol Description Notice
Powertrain Control Module Connector End Views
Handling ESD Sensitive Parts Notice
Handling ESD Sensitive Parts Notice