GM Service Manual Online
For 1990-2009 cars only
Makes
🢒
Cadillac
🢒
1999
🢒
DeVille
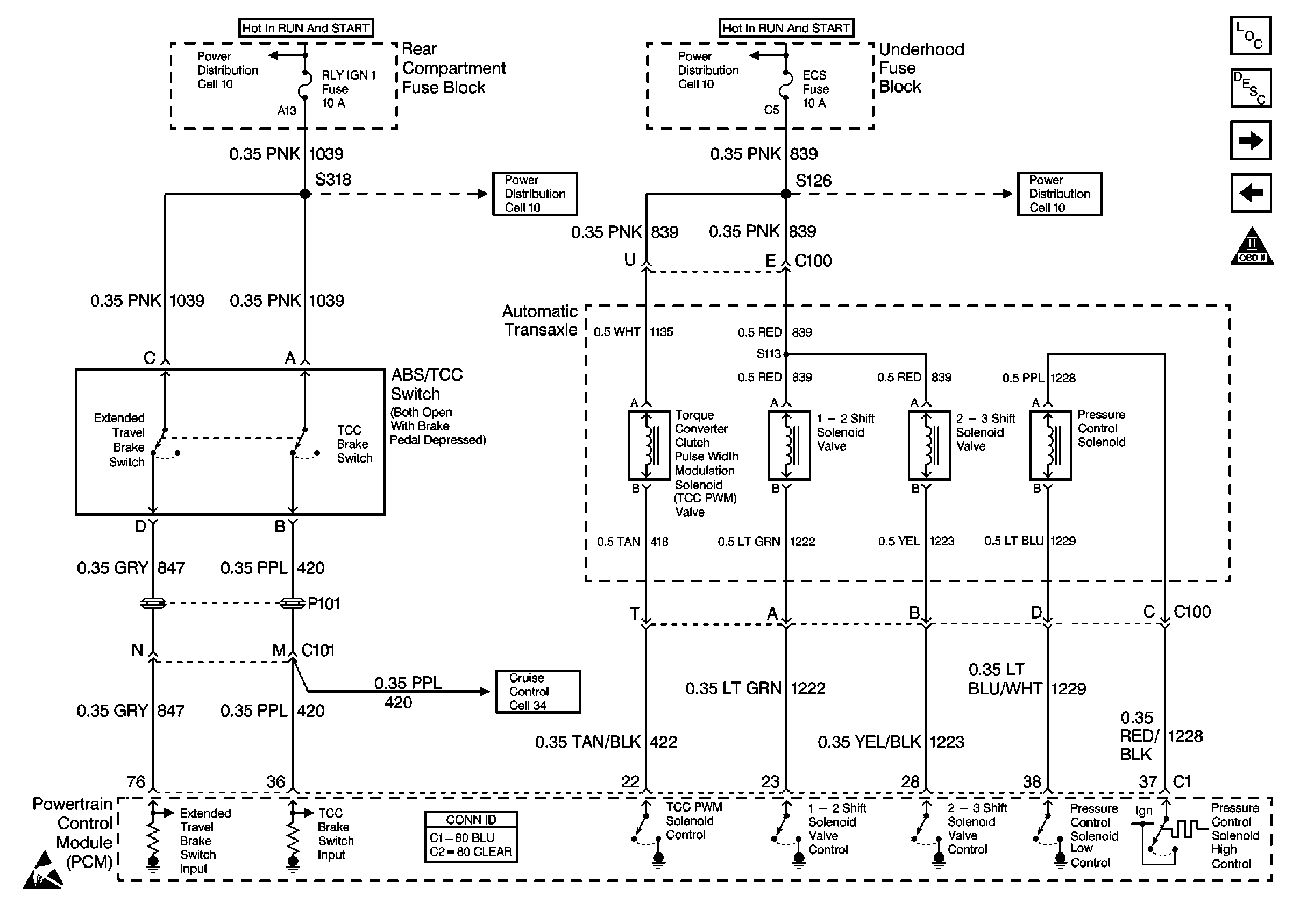
🢒 Cell 20: ABS/TCC Switch and Transaxle Solenoids
Cell 20: ABS/TCC Switch and Transaxle Solenoids
Cell 20: ABS/TCC Switch and Transaxle Solenoids
Engine Controls Components
Powertrain Control Module Description
Cell 20: Transaxle Sensors and TR Switch
Cell 20: EBTCM, Generator, A/C Relay and RSS
OBD II Symbol Description Notice
Power Distribution Schematics
Power Distribution Schematics
Power Distribution Schematics
Power Distribution Schematics
Cruise Control Schematics
Powertrain Control Module Connector End Views
Handling ESD Sensitive Parts Notice