GM Service Manual Online
For 1990-2009 cars only
Makes
🢒
Cadillac
🢒
1999
🢒
DeVille
🢒 Cell 146
Cell 146
Cell 146
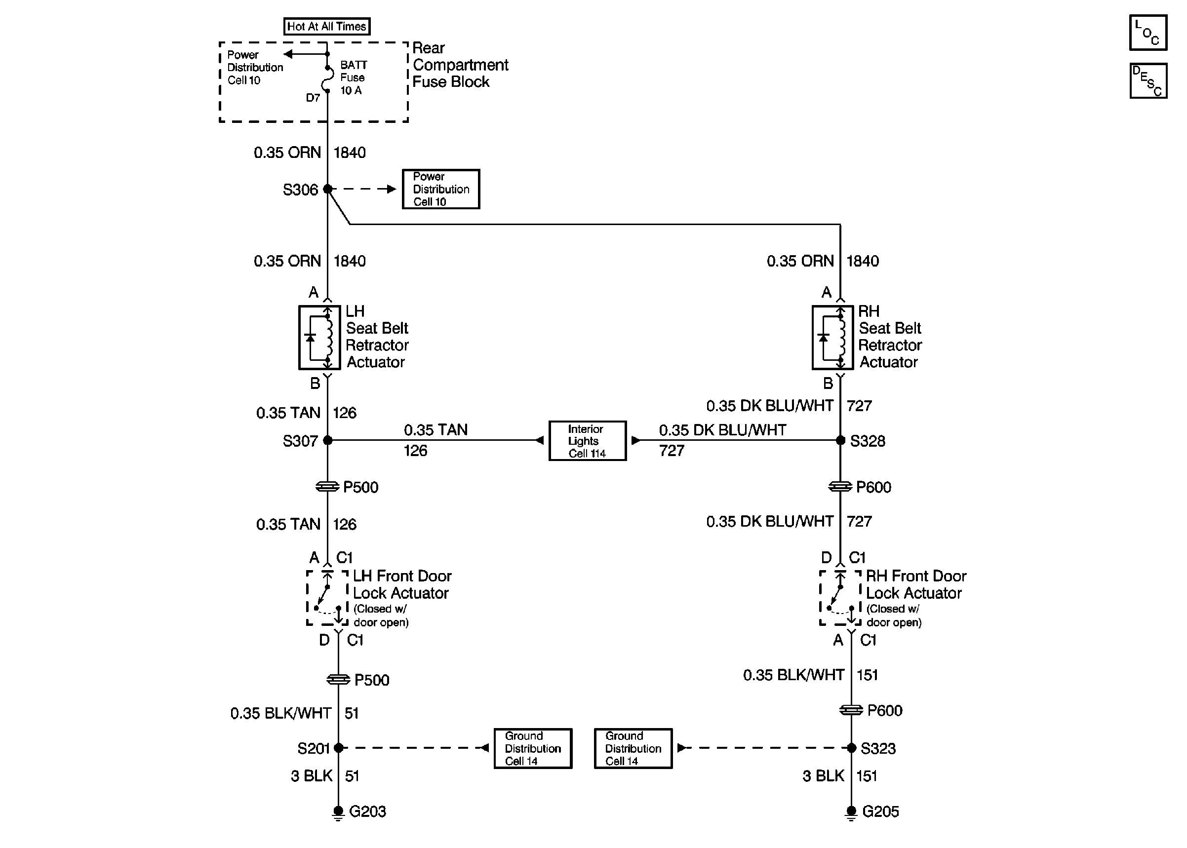
Seat Belt Components
Seat Belt System Circuit Description Eldorado
Cell 10: BODY 1 Fuse
Cell 10: BATT Fuse
Cell 114: Inputs
Cell 14: G203
Cell 14: G205