GM Service Manual Online
For 1990-2009 cars only
Makes
🢒
Cadillac
🢒
2000
🢒
DeVille
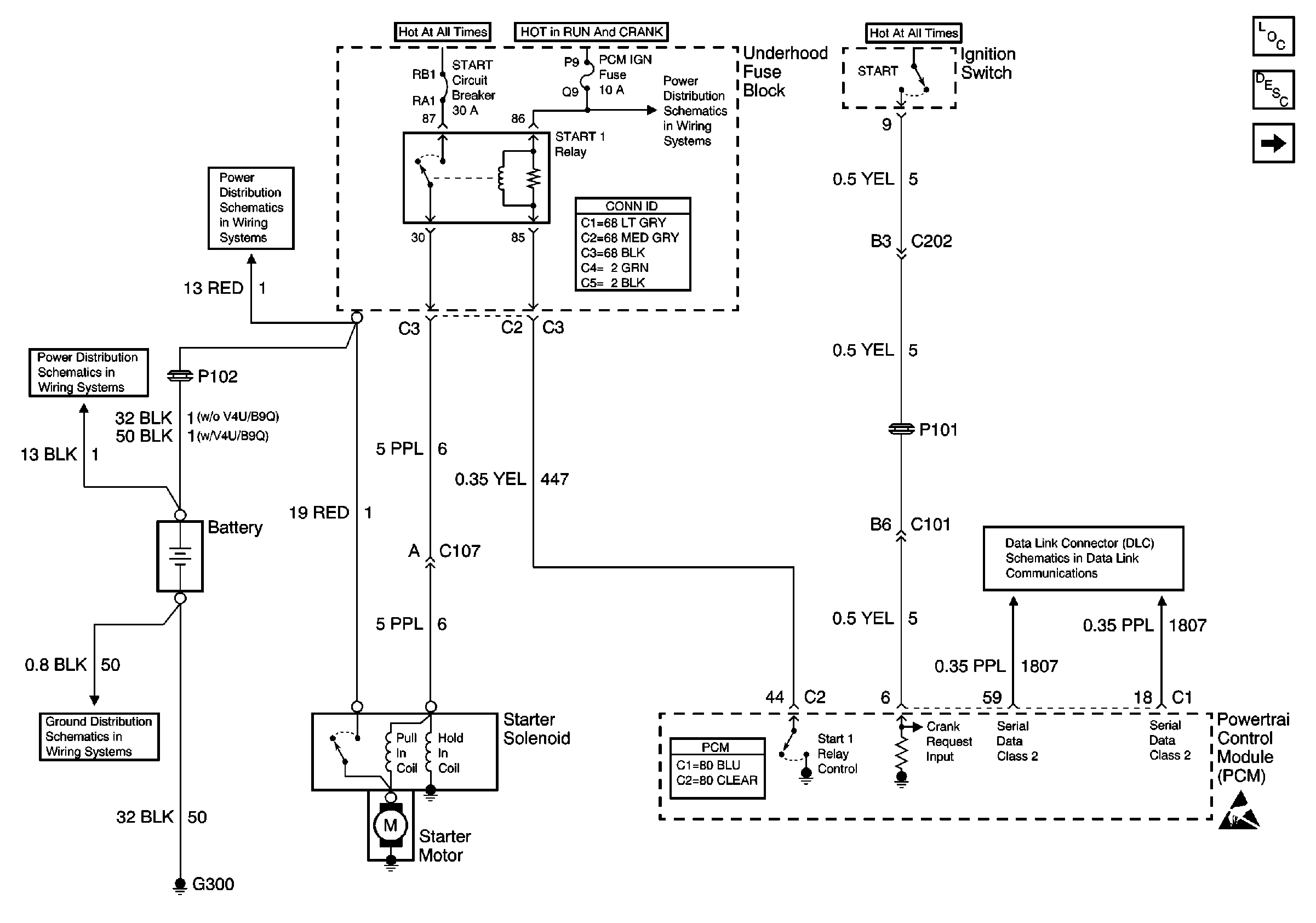
🢒 Starter Solenoid Controls
Starter Solenoid Controls
Starter Solenoid Controls
Engine Electrical Components
Starting System Circuit Description
Generator and Battery
START Circuit Breaker, PCM IGN and IGN1 Fuses
Underhood Fuse Block Battery Voltage
Rear Fuse Block Battery Voltage
Serial Data Class 2 (1 of 3)
G300, G303, G304, G306
Handling ESD Sensitive Parts Notice