GM Service Manual Online
For 1990-2009 cars only
Makes
🢒
Cadillac
🢒
2000
🢒
DeVille
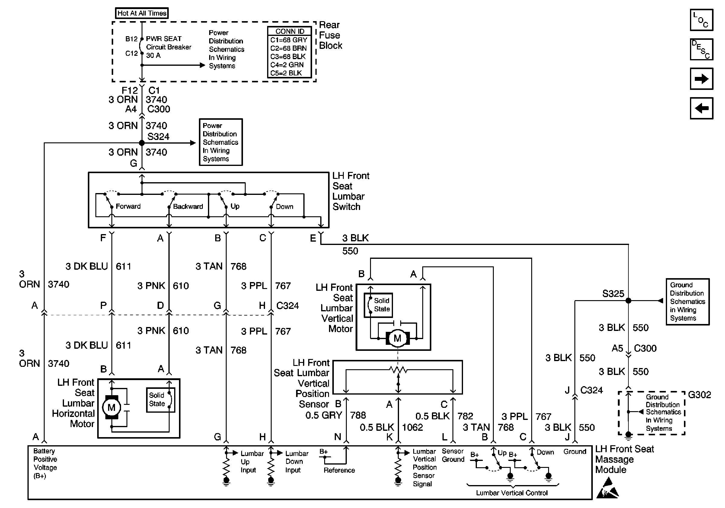
🢒 (AM3) Left Seat Lumbar Massage
(AM3) Left Seat Lumbar Massage
(AM3) Left Seat Lumbar Massage
Power Seat Systems Components
Power Lumbar Circuit Description with AM3
(AM3) Right Seat Lumbar Massage
(AC9) Right Adaptive Seat
NAV Fuse and POWER SEAT Circuit Breaker
NAV Fuse and POWER SEAT Circuit Breaker
G302 - LH Front Seat
G302 - LH Front Seat
Handling ESD Sensitive Parts Notice