GM Service Manual Online
For 1990-2009 cars only
Makes
🢒
Cadillac
🢒
2000
🢒
DeVille
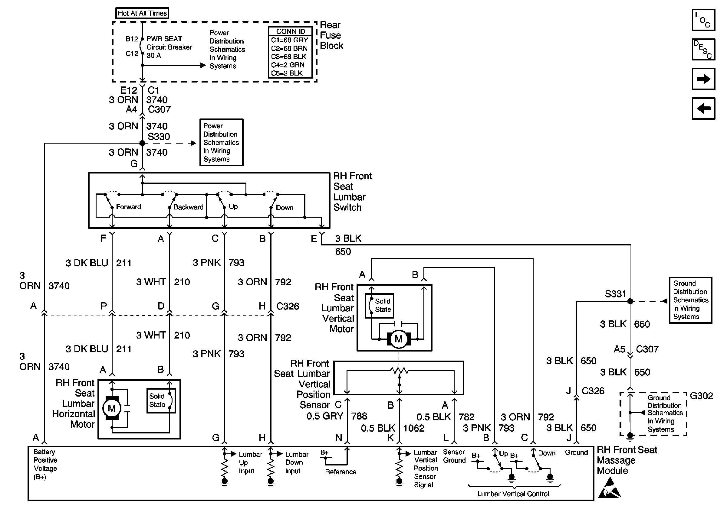
🢒 (AM3) Right Seat Lumbar Massage
(AM3) Right Seat Lumbar Massage
(AM3) Right Seat Lumbar Massage
Power Seat Systems Components
Power Lumbar Circuit Description with AM3
(A45 with AL2) PWR, GND, Switch, Motors, Sensors, and MSM
(AM3) Left Seat Lumbar Massage
NAV Fuse and POWER SEAT Circuit Breaker
NAV Fuse and POWER SEAT Circuit Breaker
G302 - RH Front Seat
G302 - RH Front Seat
Handling ESD Sensitive Parts Notice