GM Service Manual Online
For 1990-2009 cars only
Makes
🢒
Cadillac
🢒
2000
🢒
DeVille
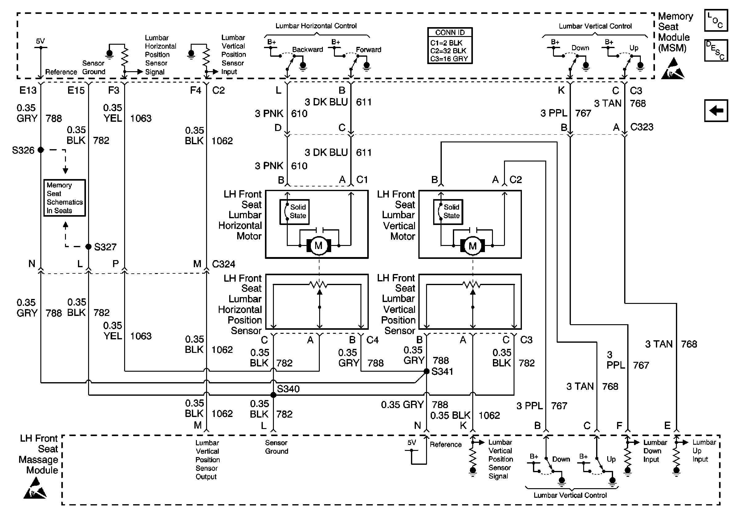
🢒 (A45 with AM3) MSM, Massage Module, Motors and Position Sensors
(A45 with AM3) MSM, Massage Module, Motors and Position Sensors
(A45 with AM3) MSM, Massage Module, Motors and Position Sensors
Power Seat Systems Components
Power Lumbar Circuit Description with A45
(A45 with AM3) PWR, GND, Switch, Massage Module and MSM
Handling ESD Sensitive Parts Notice
Memory Seats Schematics
Handling ESD Sensitive Parts Notice