GM Service Manual Online
For 1990-2009 cars only
Makes
🢒
Cadillac
🢒
2000
🢒
DeVille
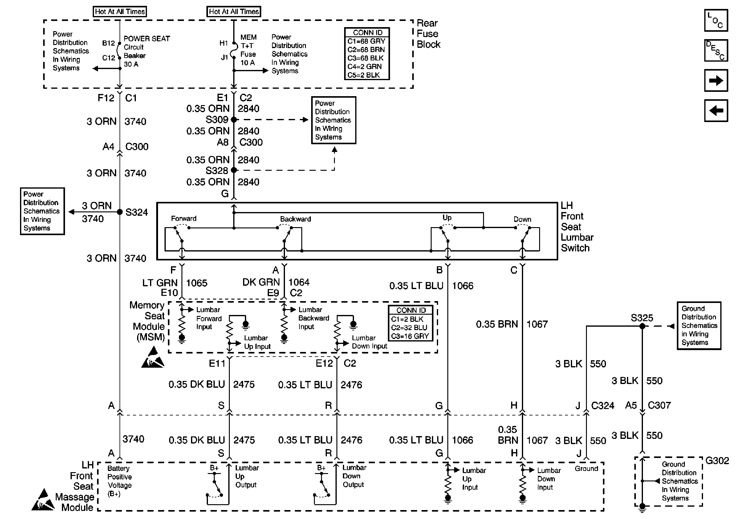
🢒 (A45 with AM3) PWR, GND, Switch, Massage Module and MSM
(A45 with AM3) PWR, GND, Switch, Massage Module and MSM
(A45 with AM3) PWR, GND, Switch, Massage Module and MSM
Power Seat Systems Components
Power Lumbar Circuit Description with A45
(A45 with AM3) MSM, Massage Module, Motors and Position Sensors
(A45 with AL2) PWR, GND, Switch, Motors, Sensors, and MSM
NAV Fuse and POWER SEAT Circuit Breaker
MEM T&T, RRLUM/ANT, and HTDST LF Fuses
MEM T&T, RRLUM/ANT, and HTDST LF Fuses
NAV Fuse and POWER SEAT Circuit Breaker
Handling ESD Sensitive Parts Notice
Handling ESD Sensitive Parts Notice
G302 - LH Front Seat
G302 - LH Front Seat