GM Service Manual Online
For 1990-2009 cars only
Makes
🢒
Cadillac
🢒
2000
🢒
DeVille
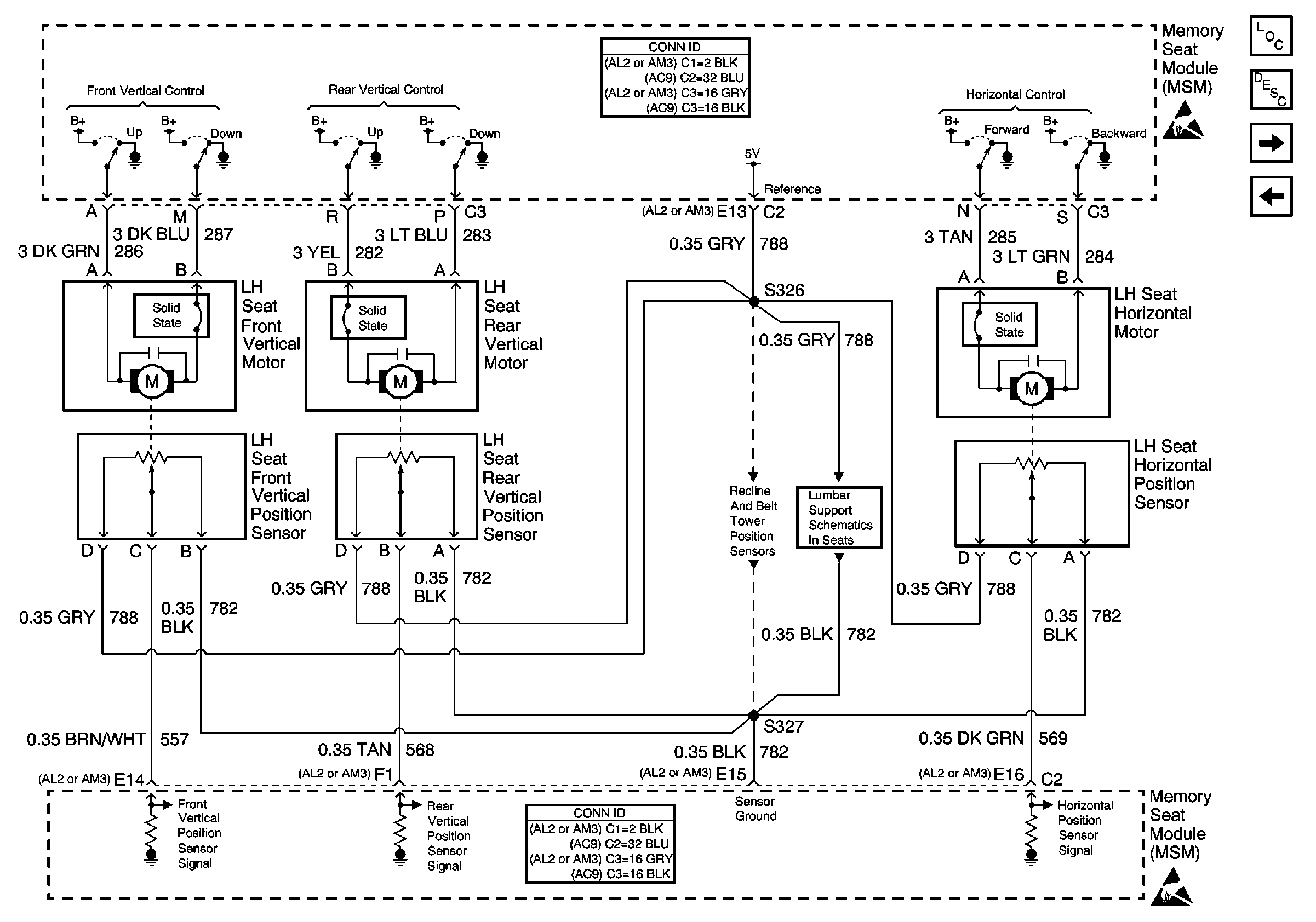
🢒 Memory Seat Schematics With AL2_Vert, Horizontal Motors and Position Sen
Memory Seat Schematics With AL2_Vert, Horizontal Motors and Position Sen
(A45 with AL2) Front Vretical, Rear Vertical, Horizontal Motors and Position Sensors
Power Seat Systems Components
Memory Seat Circuit Description
Memory Seat Schematics With AL2_Recline, Belt Tower Motors Position Sen Class 2
Memory Seat Schematics With AL2 PWR, GND, Seat SW and MSM
Handling ESD Sensitive Parts Notice
Lumbar Support Schematics
Handling ESD Sensitive Parts Notice