GM Service Manual Online
For 1990-2009 cars only
Makes
🢒
Cadillac
🢒
2000
🢒
DeVille
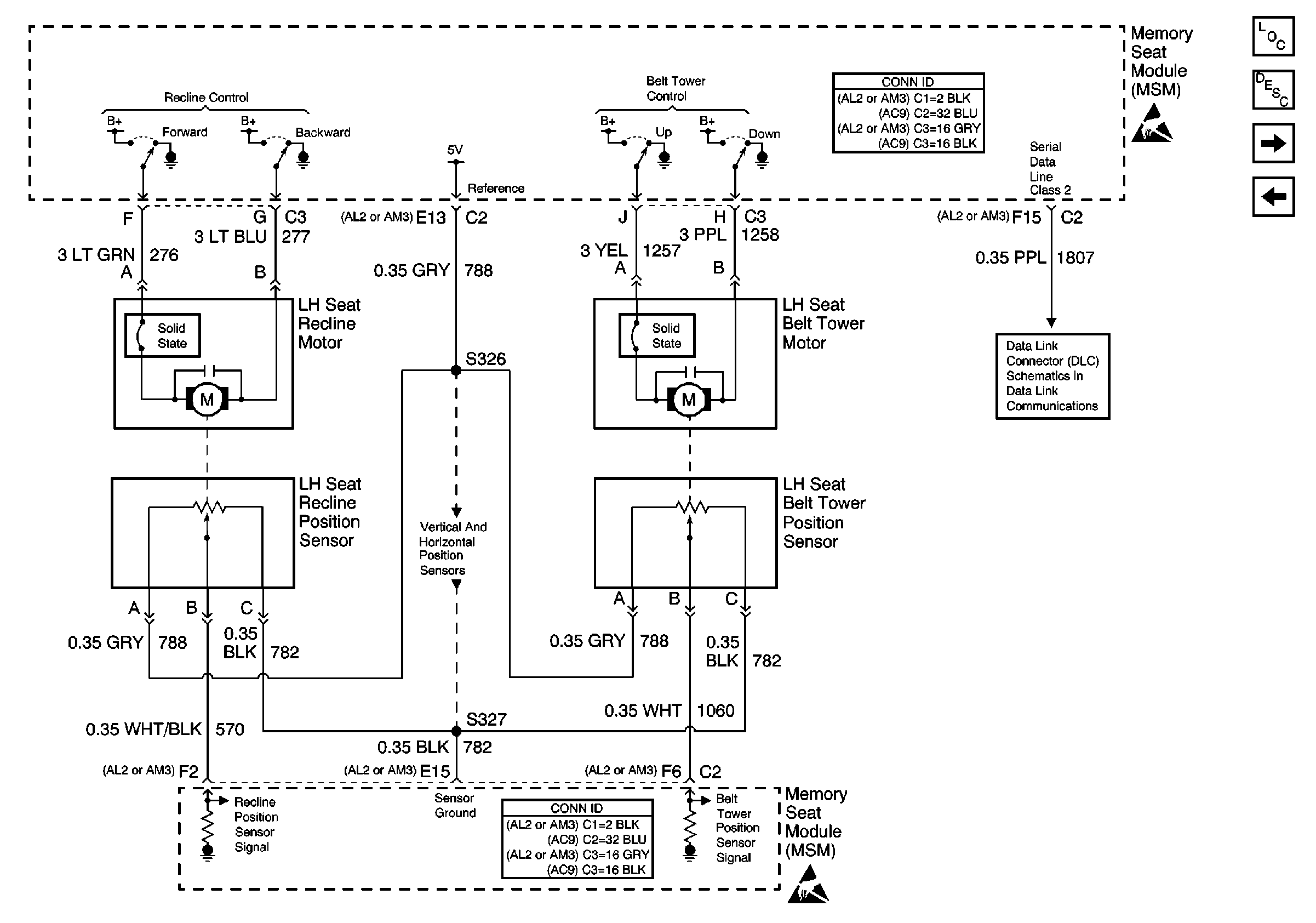
🢒 Memory Seat Schematics With AL2_Recline, Belt Tower Motors Position Sen Class 2
Memory Seat Schematics With AL2_Recline, Belt Tower Motors Position Sen Class 2
(A45 with AL2) Recline, Belt Tower, Motors and Position Sensors; Class 2
Power Seat Systems Components
Memory Seat Circuit Description
Memory Seat Schematics With AL2_Vert, Horizontal Motors and Position Sen
Handling ESD Sensitive Parts Notice
Data Link Connector Schematics
Handling ESD Sensitive Parts Notice