GM Service Manual Online
For 1990-2009 cars only
Makes
🢒
Cadillac
🢒
2000
🢒
DeVille
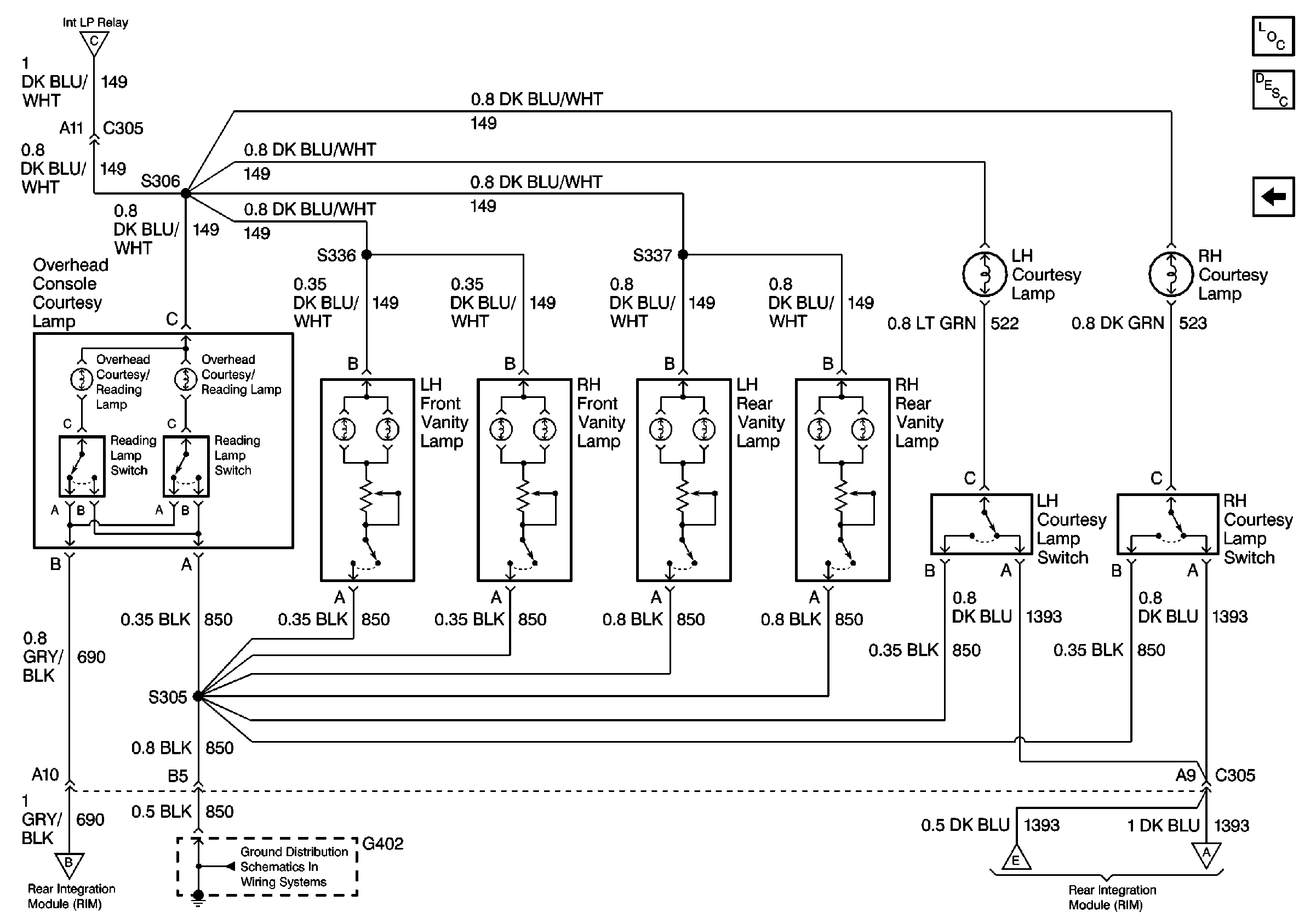
🢒 Overhead Console, Vanity, and Courtesy Lamps
Overhead Console, Vanity, and Courtesy Lamps
Overhead Console, Vanity, and Courtesy Lamps
Lighting Systems Components
Interior Lights Circuit Description
Front Door Courtesy Lamps, Rear Compartment, and Underhood Lamps
Interior Lamp Relay and Rear Door Courtesy Lamps
Interior Lamp Relay and Rear Door Courtesy Lamps
Front Door Courtesy Lamps, Rear Compartment, and Underhood Lamps
G402 - Headliner