GM Service Manual Online
For 1990-2009 cars only
Makes
🢒
Cadillac
🢒
2000
🢒
DeVille
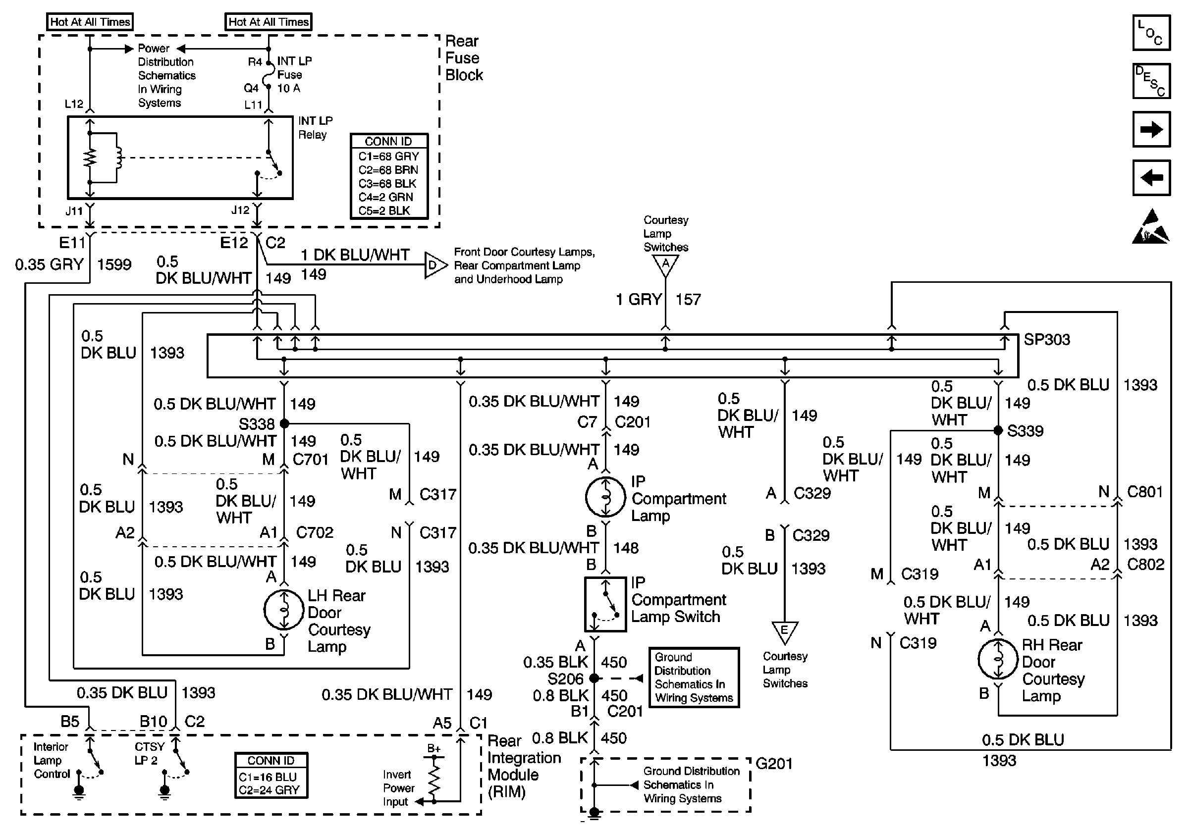
🢒 Interior Lamp Relay and Rear Door Courtesy Lamps
Interior Lamp Relay and Rear Door Courtesy Lamps
Interior Lamp Relay and Rear Door Courtesy Lamps
Lighting Systems Components
Interior Lights Circuit Description
Front Door Courtesy Lamps, Rear Compartment, and Underhood Lamps
Door Open Inputs w/B9Q
Handling ESD Sensitive Parts Notice
BODY, CVRTD, CIGAR, RAP, INT LP, and SUNSHD Fuses
Front Door Courtesy Lamps, Rear Compartment, and Underhood Lamps
Overhead Console, Vanity, and Courtesy Lamps
G201 - IP Harness
G201 - IP Harness