GM Service Manual Online
For 1990-2009 cars only

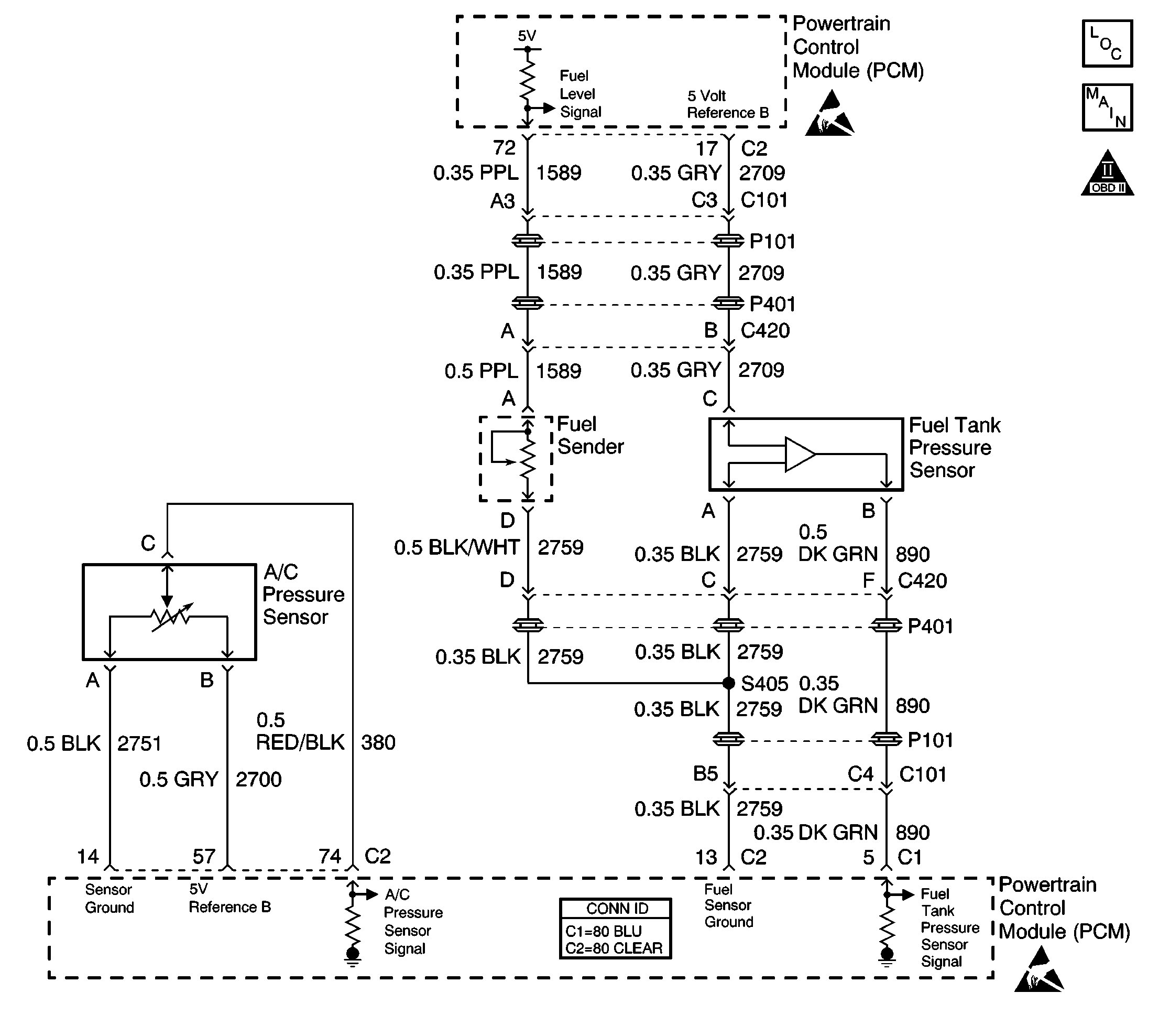
Object Number: 604184  Size: LF
Engine Controls Component Views
Sensors
OBD II Symbol Description Notice
Handling ESD Sensitive Parts Notice
Handling ESD Sensitive Parts Notice

Circuit Description

The PCM uses the 5 Volt Reference B circuit to feed the A/C pressure sensor, and the fuel tank pressure sensor.

The PCM monitors the voltage on the 5 Volt Reference B circuit. If the voltage is outside an acceptable range, DTC P1639 will set.

Conditions for Running the DTC

The ignition is ON.

Conditions for Setting the DTC

    • The PCM detects a voltage out of range condition on the 5 Volt Reference B circuit.
    • The condition exists for less than 1 second.

Action Taken When the DTC Sets

    • The PCM illuminates the malfunction indicator lamp (MIL) during the second consecutive trip in which the diagnostic test runs and fails.
    • The PCM stores the conditions present when the DTC set as Freeze Frame/Failure Records data.

Conditions for Clearing the MIL/DTC

    • The PCM will turn the MIL OFF after the third consecutive trip in which the diagnostic runs and passes.
    • The history DTC will clear after 40 consecutive warm-up cycles have occurred without a malfunction.
    • The DTC can be cleared by using the scan tool Clear DTC Information function.

Diagnostic Aids

If the condition is intermittent, refer to Intermittent Conditions in Symptoms.

Test Description

The numbers below refer to the step numbers on the diagnostic table.

  1. Check for a proper 5V Reference B voltage. If the DMM displays 5V with the A/C pressure sensor disconnected, a short to voltage in the A/C pressure sensor signal circuit, a shorted A/C sensor, or an internally shorted PCM could be the cause of the malfunction.

  2. Determines if the 5V Reference B is shorted high or shorted low.

  3. Checks for the cause of a 5V Reference B voltage more than 5 volts. If DMM displays 5 volts with the fuel tank pressure sensor disconnected, the fuel tank pressure sensor signal or the PCM could be the cause of the malfunction. If the DMM does not display 5 volts, the 5V Reference B circuit or the PCM could be the problem.

  4. With the PCM disconnected, a DMM display of 0V isolates the problem to the PCM or the 5V Reference B circuit to the fuel tank pressure sensor.

  5. Determines whether the PCM or the 5V Reference B circuit to the fuel tank pressure sensor is the cause of the problem.

  6. Determines whether the A/C pressure sensor signal is shorted to voltage or the A/C pressure sensor is internally shorted. If the DMM does not display battery voltage, the A/C pressure sensor signal circuit and the PCM are OK.

  7. Checks for an internally shorted fuel tank pressure sensor. If the DMM displays 5 volts, the fuel tank pressure sensor is the cause of the malfunction.

  8. Determines whether a 5V Reference B circuit to the A/C or fuel tank pressure sensors is the cause of the malfunction. If the 5V Reference B circuits are OK, the PCM is the cause of the malfunction.

  9. This vehicle is equipped with a PCM which utilizes an Electrically Erasable Programmable Read Only Memory (EEPROM). When the PCM is being replaced, the new PCM must be programmed.

Step

Action

Values

Yes

No

1

Did you perform the Powertrain On-Board Diagnostic (OBD) System Check?

--

Go to Step 2

Go to Powertrain On Board Diagnostic (OBD) System Check

2

Important: Visually/physically check the PCM and engine grounds. Ensure that the grounds are clean and secure. If the condition is found, repair as necessary. Refer to Wiring Repairs in Wiring Systems.

Using the scan tool, observe the Specific DTC Information for DTC P1639.

Does the scan tool indicate that DTC P1639 passed?

--

Go to Step 4

Go to Step 3

3

  1. Review and record the scan tool Fail Records data.
  2. Operate the vehicle within the Fail Records conditions.
  3. Using the scan tool, monitor the Specific DTC Information for DTC P1639.

Does the scan tool indicate that DTC P1639 passed?

--

Go to Step 4

Go to Diagnostic Aids

4

  1. Turn OFF the ignition.
  2. Disconnect the A/C pressure sensor connector.
  3. Connect DMM between the 5V Reference B circuit in the connector and ground.
  4. Turn ON the ignition, with the engine OFF.

Does the DMM display a voltage near the specified value?

5V

Go to Step 11

Go to Step 5

5

Does the display indicate a voltage more than the specified value?

5V

Go to Step 6

Go to Step 14

6

  1. Leave the key ON.
  2. Leave DMM connected.
  3. Observe the DMM while disconnecting the fuel tank pressure sensor connector.

Does the DMM display a voltage near the specified value?

5V

Go to Step 10

Go to Step 7

7

  1. Turn OFF the ignition.
  2. Leave DMM connected.
  3. Disconnect the PCM connector. Refer to Powertrain Control Module Replacement/Programming .
  4. Turn ON the ignition, with the engine OFF.

Does the DMM display a voltage at the specified value?

0V

Go to Step 8

Go to Step 9

8

Check for a short to voltage in the 5V Reference B circuit to the fuel tank pressure sensor.

If the condition is found, repair as necessary. Refer to Wiring Repairs in Wiring Systems.

Did you find and correct the condition?

--

Go to Step 19

Go to Step 18

9

Locate and repair the short to voltage in the 5V Reference B circuit to the A/C pressure sensor. Refer to Wiring Repairs in Wiring Systems.

Is the action complete?

--

Go to Step 19

--

10

  1. Turn OFF the ignition.
  2. Leave the fuel tank pressure sensor disconnected.
  3. Disconnect the PCM. Refer to Powertrain Control Module Replacement/Programming .
  4. Turn ON the ignition, with the engine OFF.
  5. Check for a short to battery positive voltage in the fuel tank pressure sensor signal circuit.
  6. If the condition is found, repair as necessary. Refer to Wiring Repairs in Wiring Systems.

Did you find and correct the condition?

--

Go to Step 19

Go to Step 18

11

  1. Turn OFF the ignition.
  2. Leave the A/C sensor disconnected.
  3. Connect DMM between the A/C pressure sensor signal circuit in the A/C pressure sensor connector and chassis ground.
  4. Turn ON the ignition, with the engine OFF.

Does the DMM display a voltage near the specified value

B+

Go to Step 12

Go to Step 16

12

  1. Turn OFF the ignition.
  2. Leave the A/C pressure sensor disconnected.
  3. Leave DMM connected between the A/C pressure sensor signal circuit in the A/C pressure sensor connector and chassis ground.
  4. Disconnect the PCM connector. Refer to Powertrain Control Module Replacement/Programming .
  5. Turn ON the ignition, with the engine OFF.

Does the DMM display a voltage near the specified value?

B+

Go to Step 13

Go to Step 18

13

Locate and repair the short to battery positive voltage in the A/C pressure sensor signal circuit. Refer to Wiring Repairs in Wiring Systems.

Is the action complete?

--

Go to Step 19

--

14

  1. Leave the key ON.
  2. Leave DMM connected between the 5V Reference B circuit in the A/C pressure sensor connector and ground.
  3. Disconnect the fuel tank pressure sensor connector.

Does the DMM display a voltage near the specified value?

5V

Go to Step 17

Go to Step 15

15

  1. Turn OFF the ignition.
  2. Leave the A/C pressure sensor and the fuel tank pressure sensor connectors disconnected.
  3. Disconnect the PCM connector.
  4. Using DMM, check for a short between the 5V Reference B and chassis or sensor ground in the following components:
  5. • A/C pressure sensor
    • fuel tank pressure sensor
  6. If the condition is found, repair as necessary. Refer to Wiring Repairs in Wiring Systems.

Did you find and correct the condition?

--

Go to Step 19

Go to Step 18

16

Replace the A/C pressure sensor. Refer to Air Conditioning (A/C) Refrigerant Pressure Sensor Replacement in Heating, Ventilation and Air Conditioning.

Is the action complete?

--

Go to Step 19

--

17

Replace the fuel tank pressure sensor. Refer to Fuel Tank Pressure Sensor Replacement .

Is the action complete?

--

Go to Step 19

--

18

Important: The replacement PCM must be reprogrammed.

Replace the PCM. Refer to Powertrain Control Module Replacement/Programming .

Is the action complete?

--

Go to Step 19

--

19

  1. With the key ON, review and record the scan tool Fail Records data.
  2. Clear the DTCs.
  3. Operate the vehicle within the Fail Records conditions.
  4. Using the scan tool, monitor the Specific DTC information for DTC P1639.

Does the scan tool indicate that DTC P1639 passed?

--

Go to Step 2

System OK