GM Service Manual Online
For 1990-2009 cars only

Refer to

VTD System


Object Number: 464360  Size: FS
HDHIBML, HDHIBMR, ALDL, PCM BATT, IP Fuses
G201 - Steering Column
G201 - Steering Column
Serial Data Class 2 (3 of 3)
Ignition Switch
RR BLO, RRDR MDL, HVAC BLO, STOP LP, IGN SW, and TSIG/HAZ Fuses
Handling ESD Sensitive Parts Notice
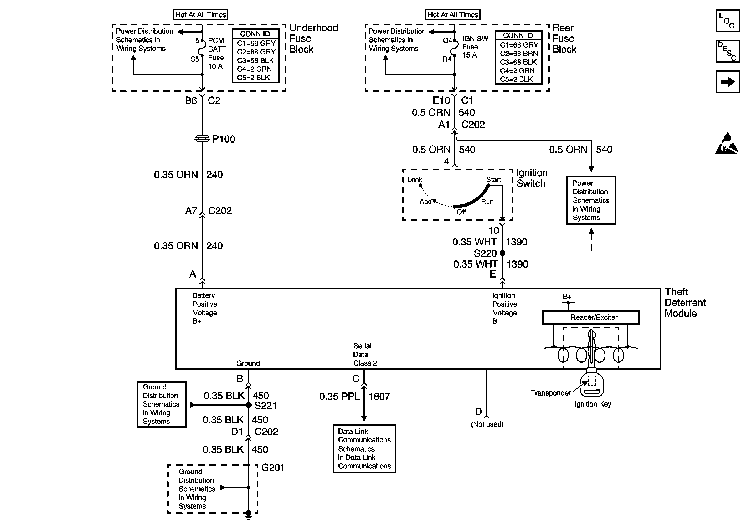
CTD Inputs and Outputs
Vehicle Theft Deterrent (VTD) Description
Theft Deterrent System Components
.

Circuit Description

The theft deterrent module performs an internal test to determine if a key is present every 300 milliseconds. If the test determines that a key is not present the theft deterrent module will indicate a key not present condition.

Conditions for Setting the DTC

At the beginning of the ignition cycle the theft deterrent module detects a key not present condition.

Action Taken When the DTC Sets

    • Stores a DTC B3055.
    • If the engine is running, the instrument cluster will display a SERVICE THEFT SYSTEM message. If the engine is not running STARTING DISABLED and REMOVE KEY message is displayed.
    • Security indicator is illuminated.
    • Prevent the engine from starting.

Conditions for Clearing the MIL/DTC

    • When the theft deterrent module detects a key, the current DTC B3055 will be cleared.
    • Use a scan tool to clear a history B3055 DTC.

Diagnostic Aids

Check all vehicle ignition keys and inspect the key(s) for damage.

Test Description

The numbers below refer to the step numbers on the diagnostic table:

  1. The key must be a transponder key with an operating transponder for the system to work.

  2. The only method to confirm whether the transponder in the key or the theft deterrent module is malfunctioning is to try a alternative component in the system. The vehicle was delivered with four keys.

  3. It is unlikely that more than one key will be defective. If all keys do not work, the theft deterrent module must be malfunctioning.

  4. If the vehicle has a malfunctioning theft deterrent module that malfunctioned during an ignition cycle, the system will be "fail enabled" and the vehicle will start for all keys. In this case the code B3055 will remain set and be current for all keys.

  5. If a new key must be tried, it must have the proper mechanical cut and the theft deterrent module must "learn" the transponder value.

  6. If only one key was available for the vehicle and the replacement key does not work, the theft deterrent module must be malfunctioning.

Step

Action

Yes

No

1

Did you perform A Diagnostic System Check - Theft Deterrent System?

Go to Step 2

Go to Diagnostic System Check - Theft Deterrent

2

Inspect the vehicle's key for damage to the molded head and for "PK3" embossed on the shank.

Is the head of the key damaged or missing the "PK3" embossing?

Go to Step 7

Go to Step 3

3

Are more than one of the vehicle's keys available?

Go to Step 4

Go to Step 7

4

  1. Attempt to start the vehicle using all of the vehicle's available keys.
  2. With a scan tool, observe for any theft deterrent module DTC's.

Do any of the available keys start the vehicle?

Go to Step 5

Go to Step 9

5

Do all of the available keys cause DTC B3055 to set?

Go to Step 9

Go to Step 6

6

Do any of the available keys cause DTC B3055 to set?

Go to Step 7

Go to Diagnostic Aids

7

  1. Replace the damaged/inoperative/suspect key.
  2. Copy the mechanical cut of the available key on a replacement key.
  3. Perform the theft deterrent module learn procedure. Refer to Programming Theft Deterrent System Components .

Is the replacement complete?

Go to Step 8

--

8

Does the replacement key cause DTC B3055 to set?

Go to Step 9

Go to Step 10

9

Replace the theft deterrent module. Refer to Theft Deterrent Module Replacement .

Perform the theft deterrent module learn procedure. Refer to .

Is the replacement complete?

Go to Step 10

--

10

Important: If a 10 Minute or 30 Minute Re-Learn procedure was performed, all keys not learned at that time have been erased and will not be recognized. Perform the quick learn procedure or instruct the customer on how to perform the quick learn procedure.

  1. Use a scan tool in order to clear the DTCs
  2. Attempt to start the vehicle.

Does the DTC reset?

Go to Step 2

System OK