GM Service Manual Online
For 1990-2009 cars only
Makes
🢒
Cadillac
🢒
2000
🢒
DeVille
🢒 CTD Inputs and Outputs
CTD Inputs and Outputs
CTD Inputs and Outputs
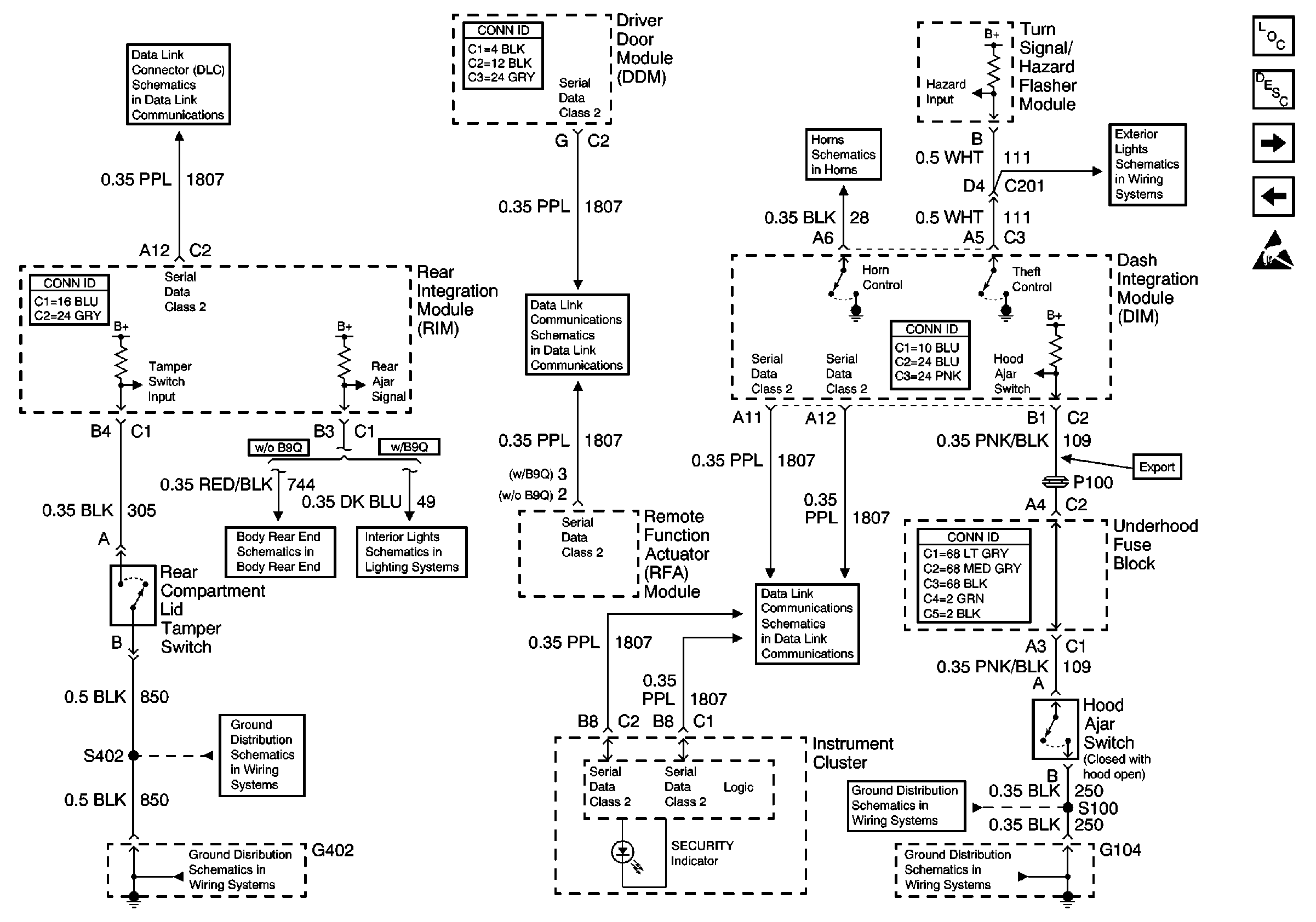
Serial Data Class 2 (2 of 3)
Door Open Inputs w/B9Q
Rear Compartment Lid Ajar Signal
G402 - Backup Lamps
Serial Data Class 2 (3 of 3)
Serial Data Class 2 (1 of 3)
G104 - Lamps and Other Items
G104 - Lamps and Other Items
Horns Schematic
Turn/Hazard Flasher Module, Hazard Switch
Handling ESD Sensitive Parts Notice
VTD System
CTD Door Inputs
Vehicle Theft Deterrent (VTD) Description
Theft Deterrent System Components
G402 - Backup Lamps