GM Service Manual Online
For 1990-2009 cars only
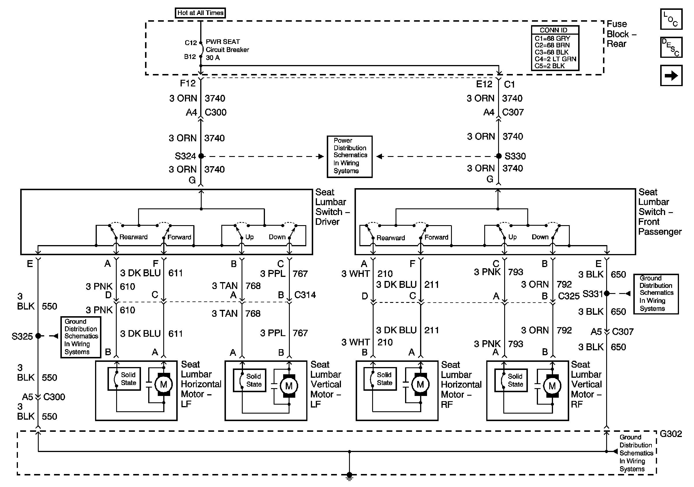
Figure 1:

Lumbar Support Front Seats (AL2)


Object Number: 663356  Size: FS
Master Electrical Component List
Lumbar Support Description and Operation w/o Memory-A45
Lumbar Support Rear Seats
G302 Right Front Seat
G302 Right Front Seat
G302 Left Front Seat
NAV Fuse and PWR Seat Circuit Breaker
NAV Fuse and PWR Seat Circuit Breaker
Figure 2:

Lumbar Support Rear Seats


Object Number: 663357  Size: FS
Master Electrical Component List
Lumbar Support Description and Operation w/o Memory-A45
Lumbar Support Left Adaptive Seat (AC9)
Lumbar Support Front Seats (AL2)
G302 Right Front Seat
G302 Right Front Seat
G302 Right Front Seat
MEM TT, RRLUM/ANT, and HTDST LF Fuses
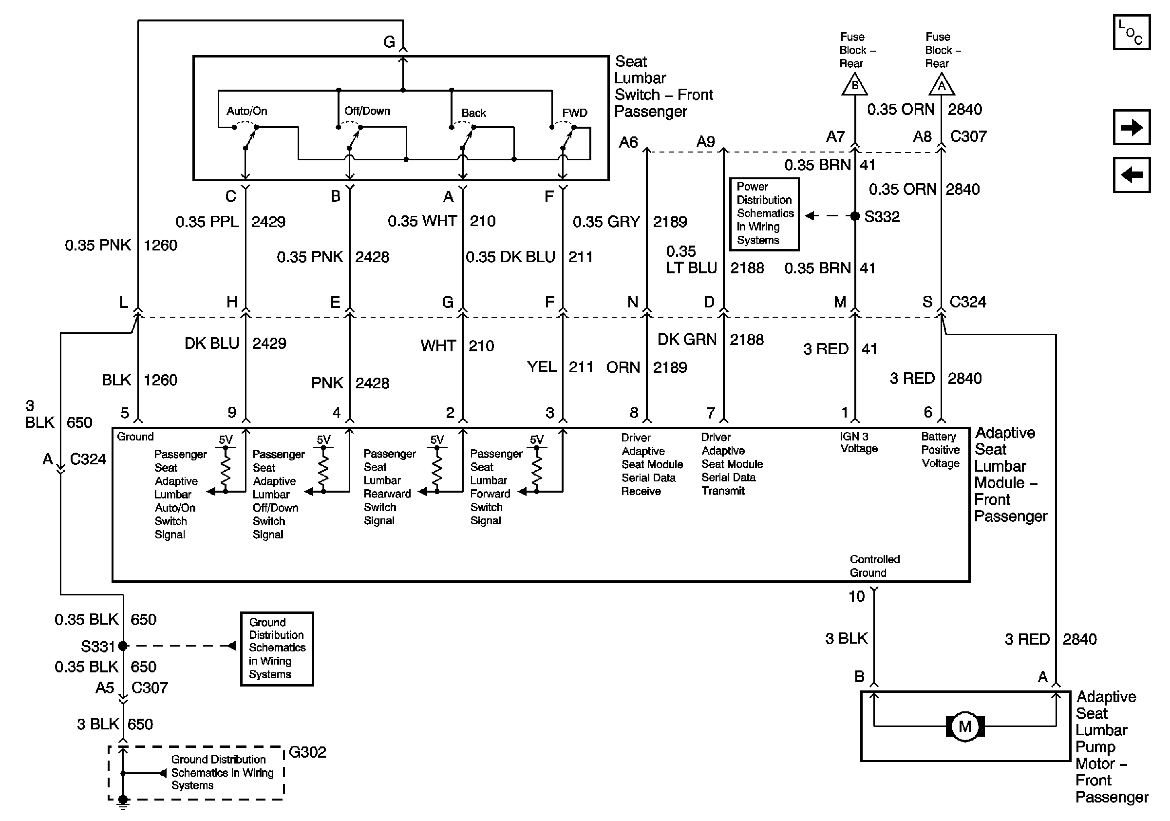
Figure 3:

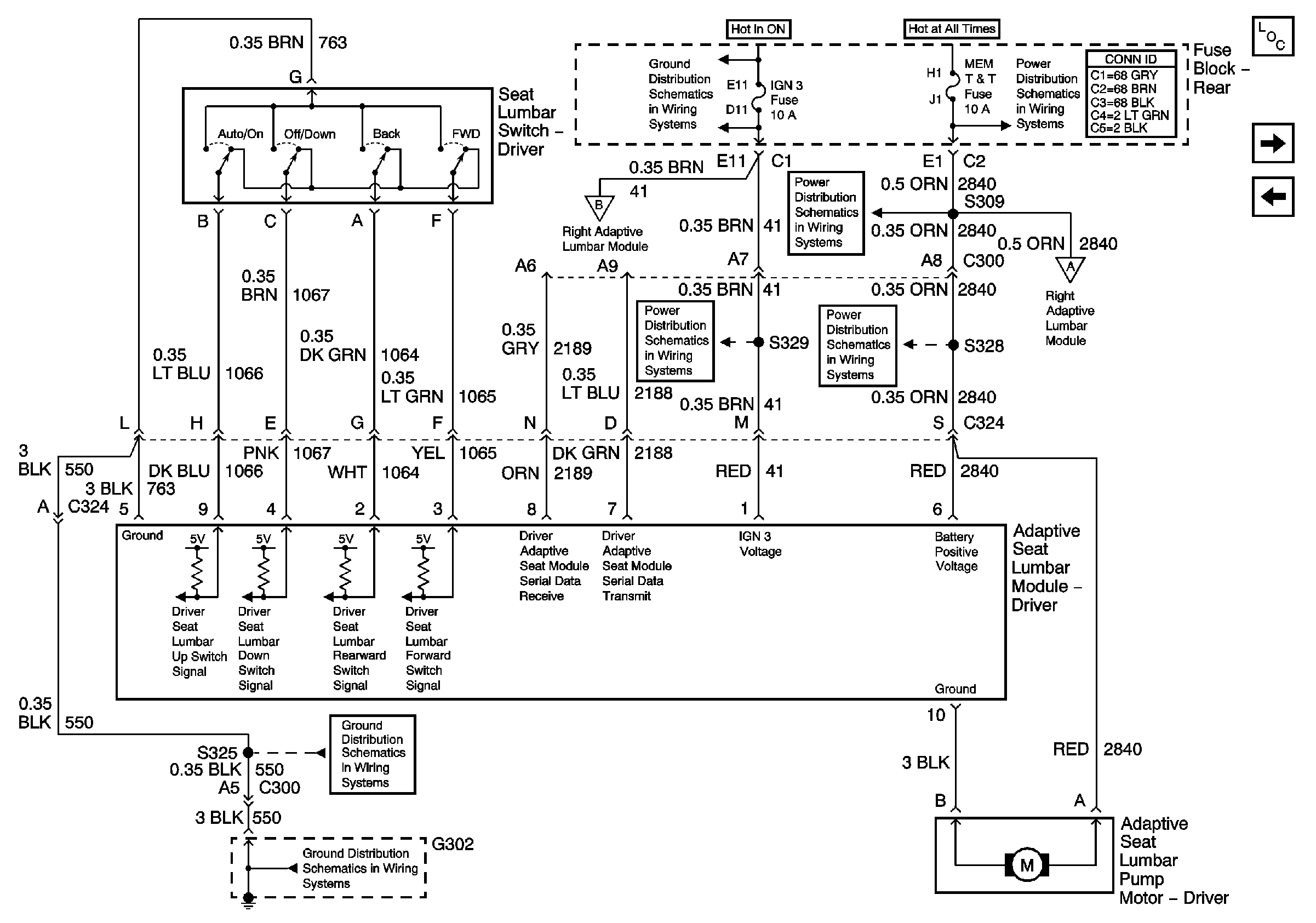
Lumbar Support Driver Adaptive Seat (AC9)


Object Number: 663358  Size: FS
Master Electrical Component List
Lumbar Support Right Adaptive Seat (AC9)
Lumbar Support Rear Seats
G302 Left Front Seat
G302 Left Front Seat
IGN 3 Fuses
IGN 3 Fuses
MEM TT, RRLUM/ANT, and HTDST LF Fuses
MEM TT, RRLUM/ANT, and HTDST LF Fuses
MEM TT, RRLUM/ANT, and HTDST LF Fuses
Figure 4:

Lumbar Support Passenger Adaptive Seat (AC9)


Object Number: 663359  Size: FS
Master Electrical Component List
Left seat Lumbar Massage
Lumbar Support Left Adaptive Seat (AC9)
G302 Right Front Seat
G302 Right Front Seat
IGN 3 Fuses
Figure 5:

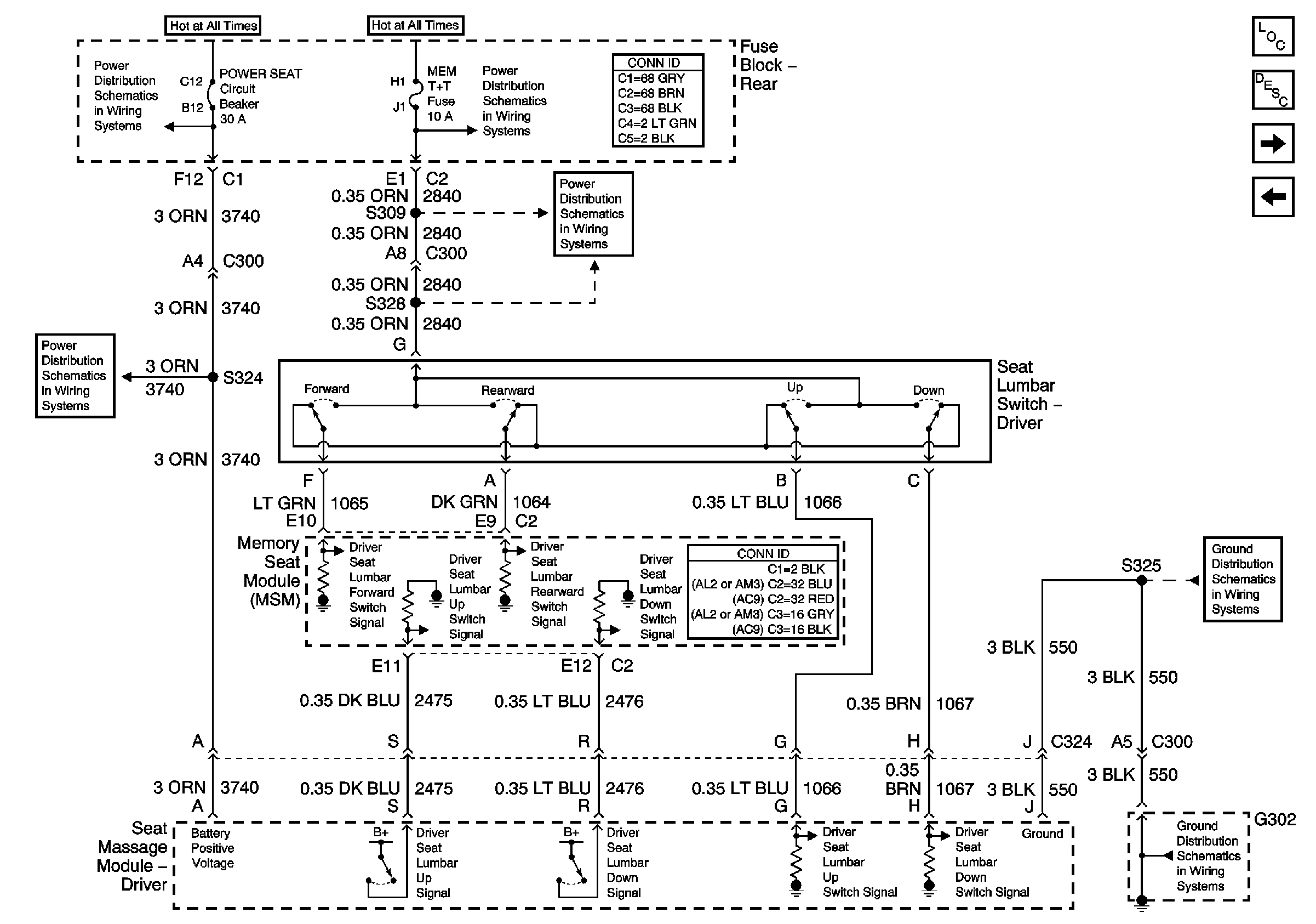
Driver Seat Lumbar Massage (AM3)


Object Number: 663360  Size: FS
Master Electrical Component List
Lumbar Support Description and Operation Massaging Lumbar-AM3 with Memory-A45
Lumbar Support Right Adaptive Seat (AC9)
Right Seat Lumbar Massage (AM3)
G302 Left Front Seat
G302 Left Front Seat
NAV Fuse and PWR Seat Circuit Breaker
NAV Fuse and PWR Seat Circuit Breaker
Figure 6:

Passenger Seat Lumbar Massage (AM3)


Object Number: 663361  Size: FS
Master Electrical Component List
Lumbar Support Description and Operation Massaging Lumbar-AM3 with Memory-A45
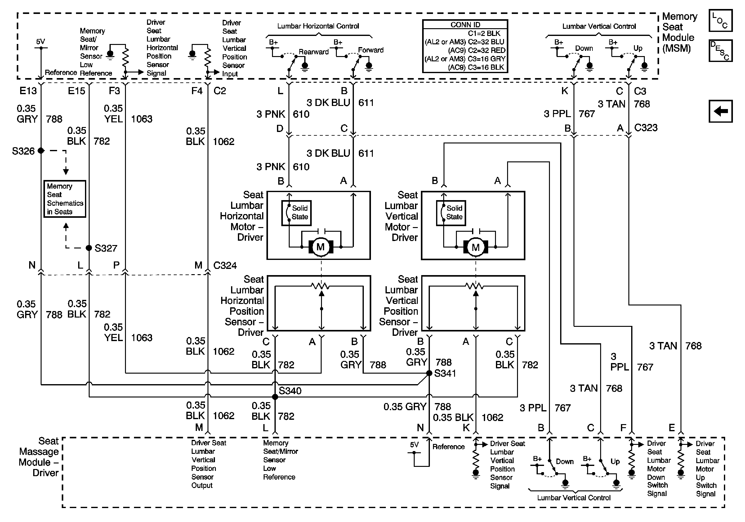
Power, Ground, Motors Sensors, Switch and MSM (w/A45/AL2)
Left seat Lumbar Massage
G302 Right Front Seat
G302 Right Front Seat
NAV Fuse and PWR Seat Circuit Breaker
NAV Fuse and PWR Seat Circuit Breaker
Figure 7:

Driver Seat Switch (w/A45/AL2)


Object Number: 663363  Size: FS
Master Electrical Component List
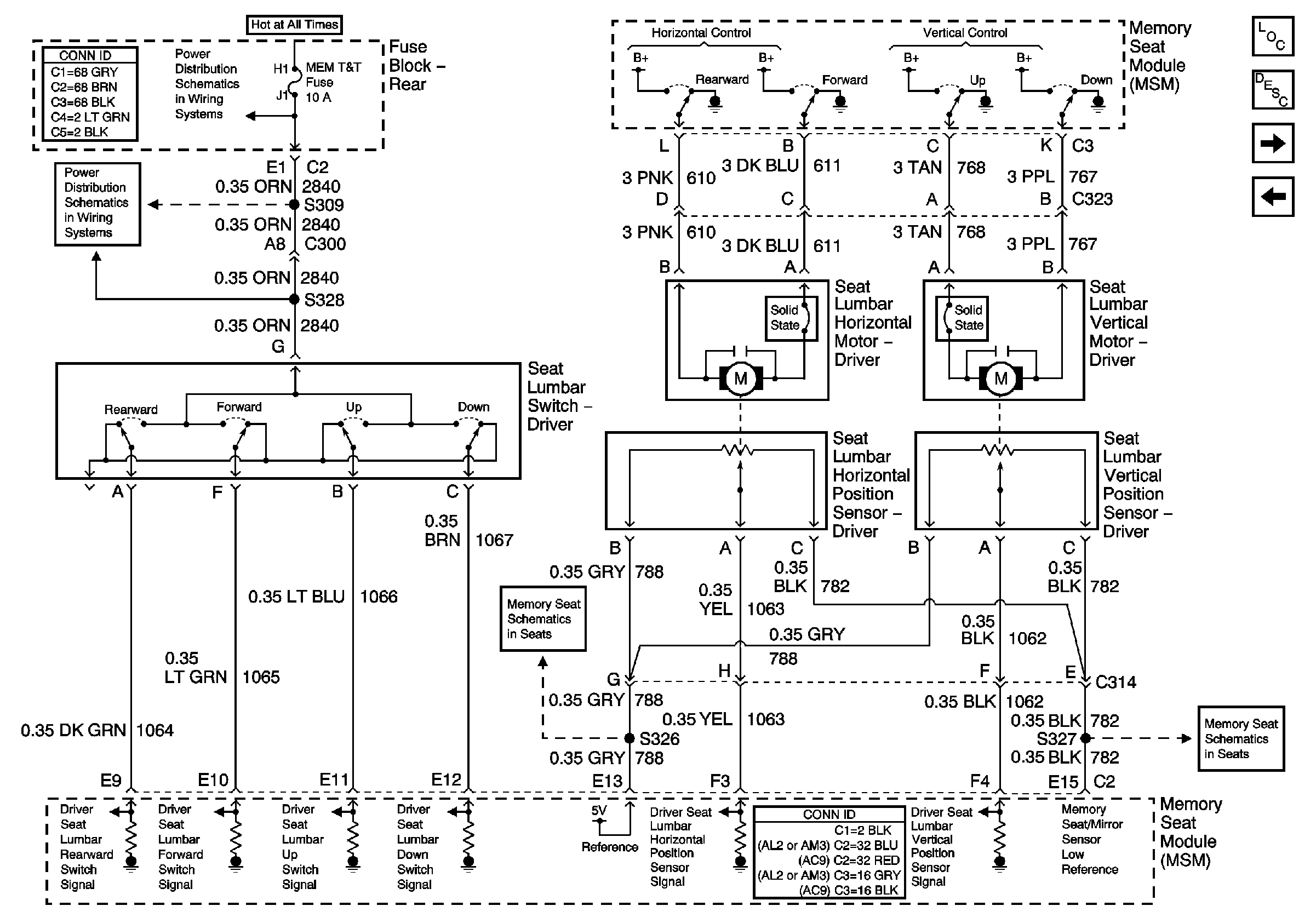
Memory Seats Description and Operation
Power, Ground, Massage Module, MSM Switch (w/A45/AM3)
Right Seat Lumbar Massage (AM3)
Front/Rear Vertical, Horizontal Motors, Position Sensors (w/A45/AL2)
Front/Rear Vertical, Horizontal Motors, Position Sensors (w/A45/AL2)
MEM TT, RRLUM/ANT, and HTDST LF Fuses
MEM TT, RRLUM/ANT, and HTDST LF Fuses
Figure 8:

Passenger Switch (w/A45/AM3)


Object Number: 663365  Size: FS
Master Electrical Component List
Lumbar Support Description and Operation with A45
Massage Module, Motors, Positions Sensors, MSM (w/A45/AM3)
Power, Ground, Motors Sensors, Switch and MSM (w/A45/AL2)
G302 Left Front Seat
G302 Left Front Seat
NAV Fuse and PWR Seat Circuit Breaker
NAV Fuse and PWR Seat Circuit Breaker
MEM TT, RRLUM/ANT, and HTDST LF Fuses
MEM TT, RRLUM/ANT, and HTDST LF Fuses
Figure 9:

Positions Sensors (w/A45/AM3)


Object Number: 663366  Size: FS
Master Electrical Component List
Lumbar Support Description and Operation Massaging Lumbar-AM3 with Memory-A45
Power, Ground, Massage Module, MSM Switch (w/A45/AM3)
Front/Rear Vertical, Horizontal Motors, Position Sensors (w/A45/AL2)