GM Service Manual Online
For 1990-2009 cars only
Makes
🢒
Cadillac
🢒
2001
🢒
DeVille
🢒 Fuel Control
Fuel Control
Fuel Control
Master Electrical Component List
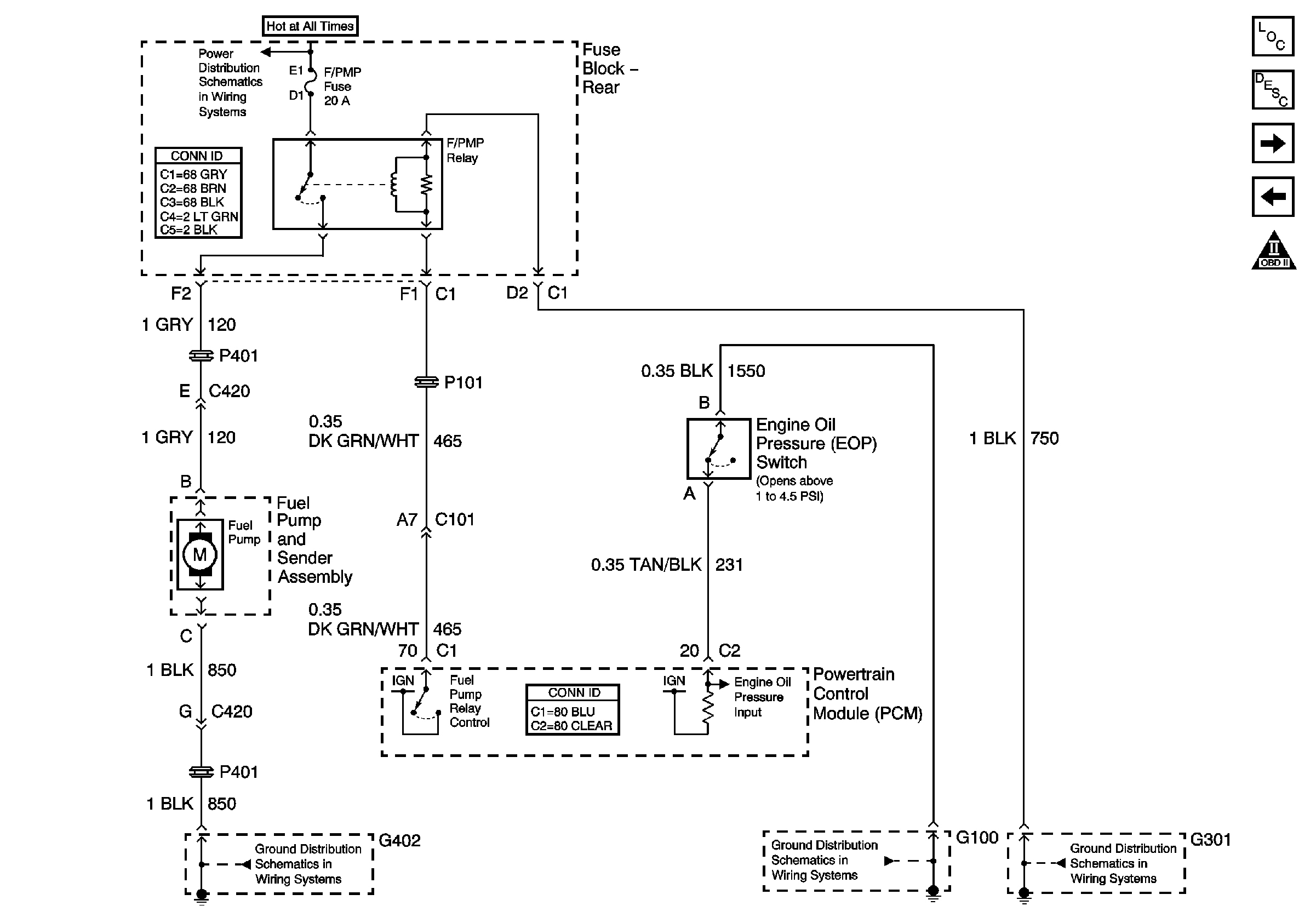
Fuel System Description
Fuel Injectors
Ignition Control (IC) Module Rear Bank
OBD II Symbol Description Notice
F/PMP and REV/LK Fuses
G402 Headliner, Fuel Sender, V4U/B9Q
G100
G100