GM Service Manual Online
For 1990-2009 cars only
Makes
🢒
Cadillac
🢒
2001
🢒
DeVille
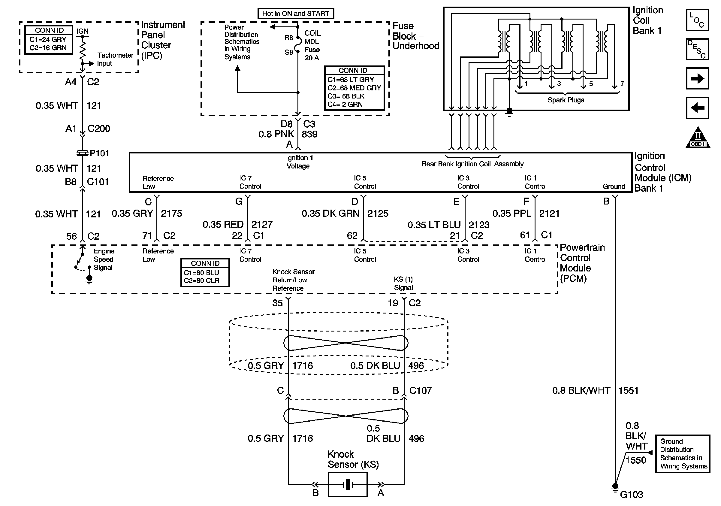
🢒 Ignition Control (IC) Module Rear Bank
Ignition Control (IC) Module Rear Bank
Ignition Control (IC) Module Rear Bank
Master Electrical Component List
Electronic Ignition (EI) System Description
Engine and Fuel Tank Sensors
Ignition Control (IC) Module Front Bank
OBD II Symbol Description Notice
Oxy Sen, CR Cont, MDL Coil, Trans Fuses
Oxy Sen, CR Cont, MDL Coil, Trans Fuses