GM Service Manual Online
For 1990-2009 cars only
Makes
🢒
Cadillac
🢒
2001
🢒
DeVille
🢒 Engine and Fuel Tank Sensors
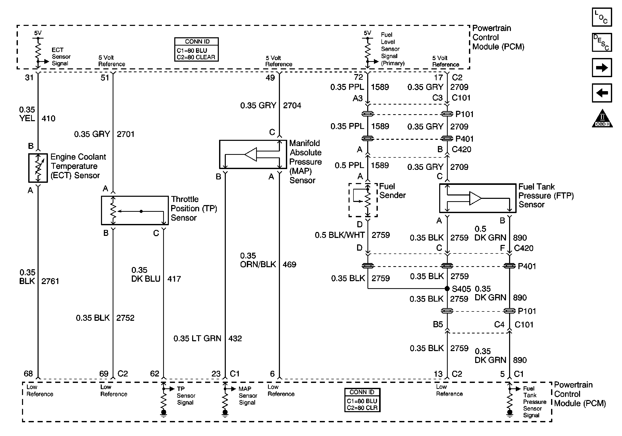
Engine and Fuel Tank Sensors
Engine and Fuel Tank Sensors
Master Electrical Component List
Fuel System Description
Heated Oxygen Sensors
Fuel Injectors
OBD II Symbol Description Notice