GM Service Manual Online
For 1990-2009 cars only
Makes
🢒
Cadillac
🢒
2001
🢒
DeVille
🢒 A/C Clutch, A/C Pressure Sensor and Other Controls
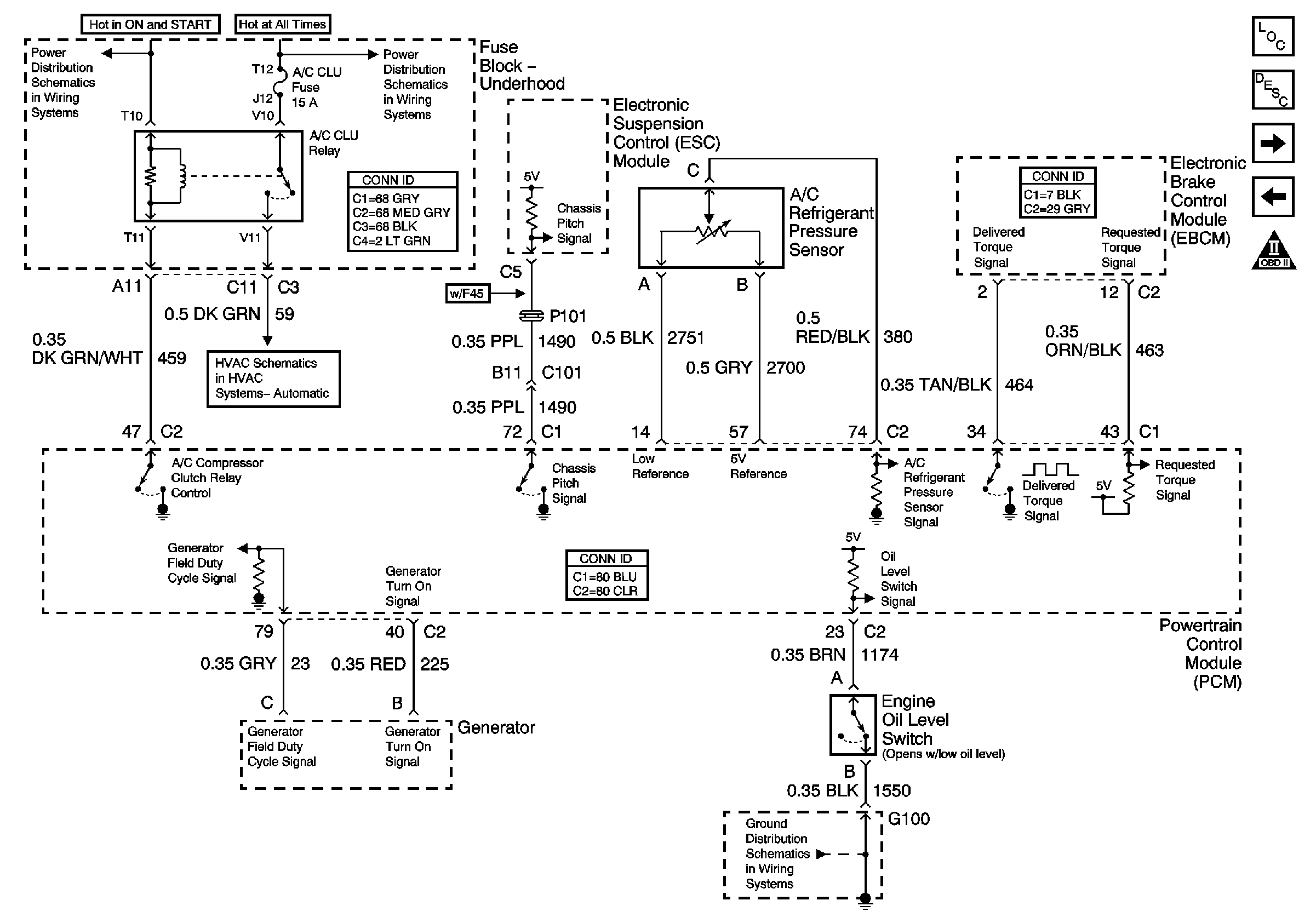
A/C Clutch, A/C Pressure Sensor and Other Controls
A/C Clutch, A/C Pressure Sensor and Other Controls
Master Electrical Component List
Powertrain Control Module Description
ABS/TCC Switch and Automatic Transaxle Solenoids
Cruise Control and Vehicle Speed Signal
OBD II Symbol Description Notice
Ignition Feeds to Underhood and Rear Fuse Blocks
HVAC Compressor Control
Ignition Feeds to Underhood and Rear Fuse Blocks
G100