GM Service Manual Online
For 1990-2009 cars only
Makes
🢒
Cadillac
🢒
2001
🢒
DeVille
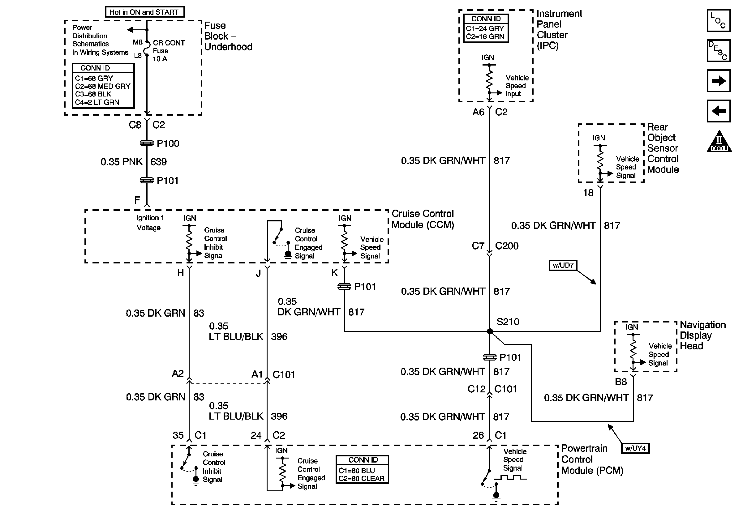
🢒 Cruise Control and Vehicle Speed Signal
Cruise Control and Vehicle Speed Signal
Cruise Control and Vehicle Speed Signal
Master Electrical Component List
Powertrain Control Module Description
A/C Clutch, A/C Pressure Sensor and Other Controls
MAF/IAT Sensors and IVA Valve
OBD II Symbol Description Notice
G101
Oxy Sen, CR Cont, MDL Coil, Trans Fuses