GM Service Manual Online
For 1990-2009 cars only
Makes
🢒
Cadillac
🢒
2001
🢒
DeVille
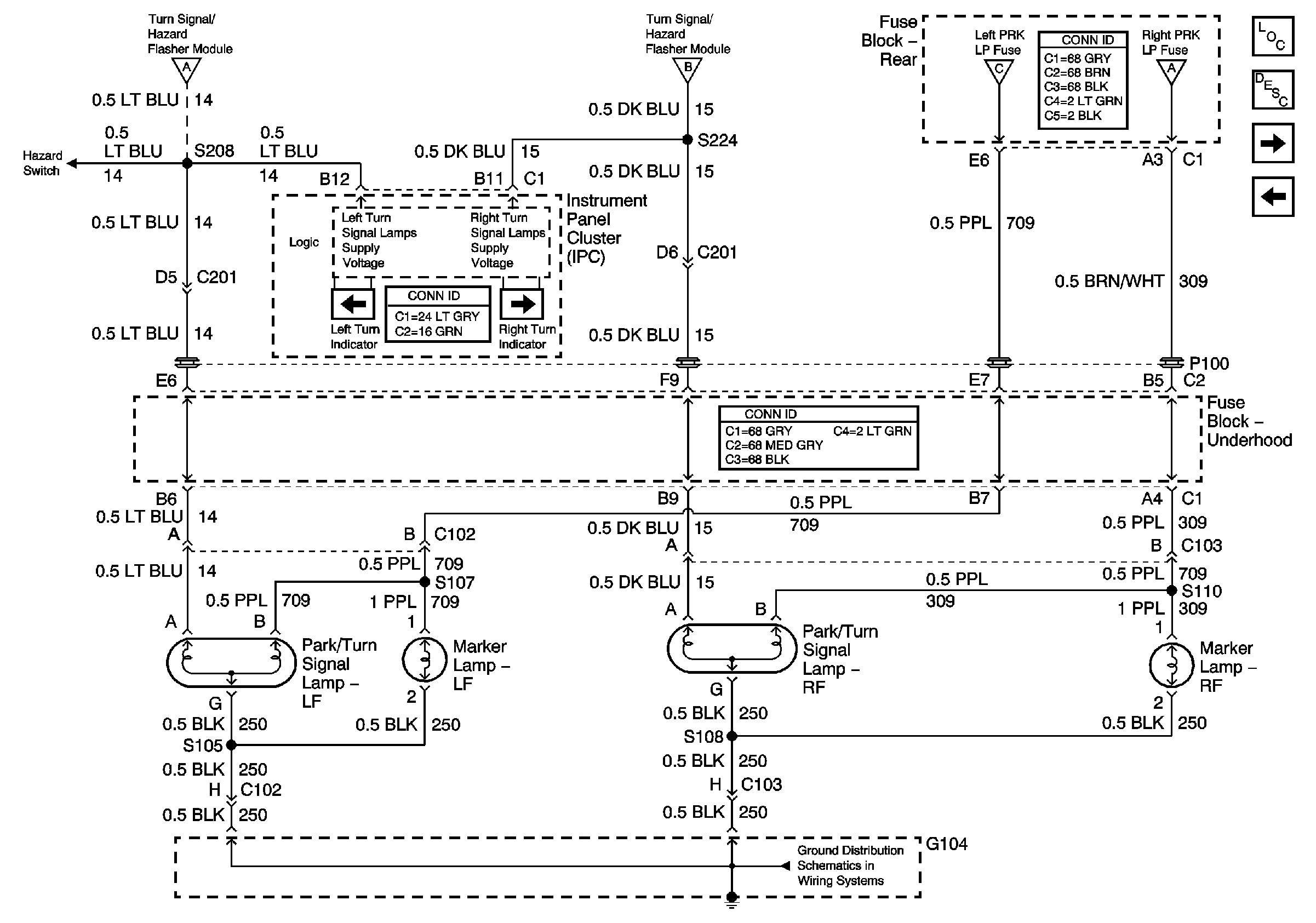
🢒 Front Park/Turn and Side Marker Lamps
Front Park/Turn and Side Marker Lamps
Front Park/Turn and Side Marker Lamps
Master Electrical Component List
Exterior Lighting Systems Description and Operation
License and Corning Lamps
Left Tail Lamp
G104