GM Service Manual Online
For 1990-2009 cars only
Makes
🢒
Cadillac
🢒
2001
🢒
DeVille
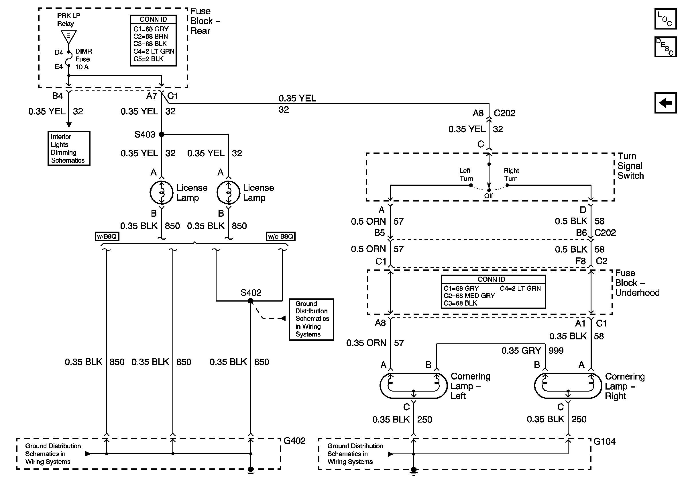
🢒 License and Corning Lamps
License and Corning Lamps
License and Cornering Lamps
Master Electrical Component List
Exterior Lighting Systems Description and Operation
Front Park/Turn and Side Marker Lamps
G402 Backup Lamps, Courtesy Lamps and License Lamp
G104 Horns, Lamps and Other Items
Dimming Control
G402 Backup Lamps, Courtesy Lamps and License Lamp