GM Service Manual Online
For 1990-2009 cars only
Makes
🢒
Cadillac
🢒
2001
🢒
DeVille
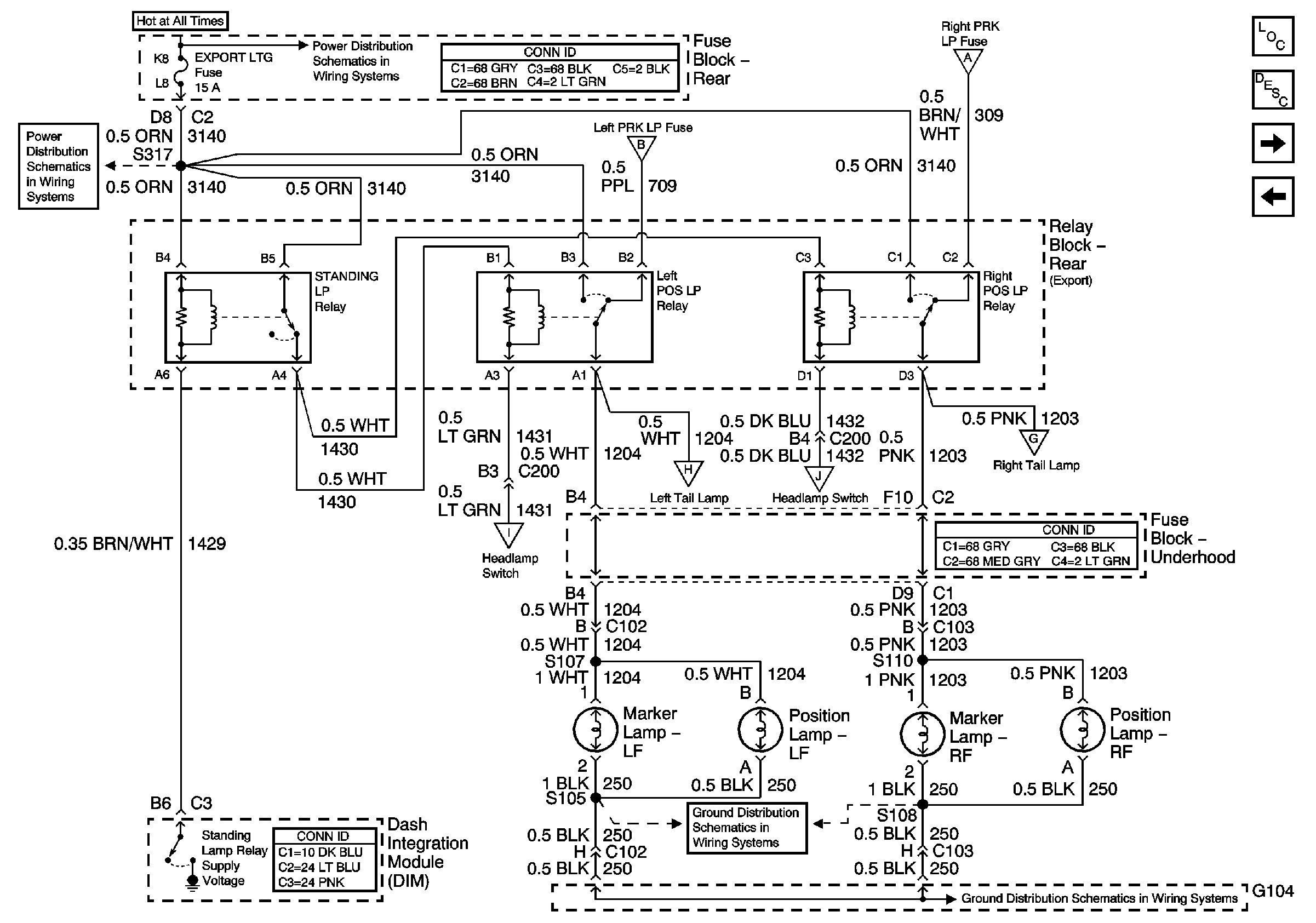
🢒 Standing and Position Lamp Relays
Standing and Position Lamp Relays
Standing and Position Lamp Relays
Master Electrical Component List
Exterior Lighting Systems Description and Operation
License and Cornering Lamps
Front Park/Turn and Repeater Lamps
G104 Horns, Lamps and Other Items
G104 Horns, Lamps and Other Items
G104 Horns, Lamps and Other Items
Audio Amp and Export LTG/LK Fuses
Audio Amp and Export LTG/LK Fuses