GM Service Manual Online
For 1990-2009 cars only
Makes
🢒
Cadillac
🢒
2001
🢒
DeVille
🢒 Class 2 Dimming Communication
Class 2 Dimming Communication
Class 2 Dimming Communication
Master Electrical Component List
Interior Lighting Systems Description and Operation
Dimming Control
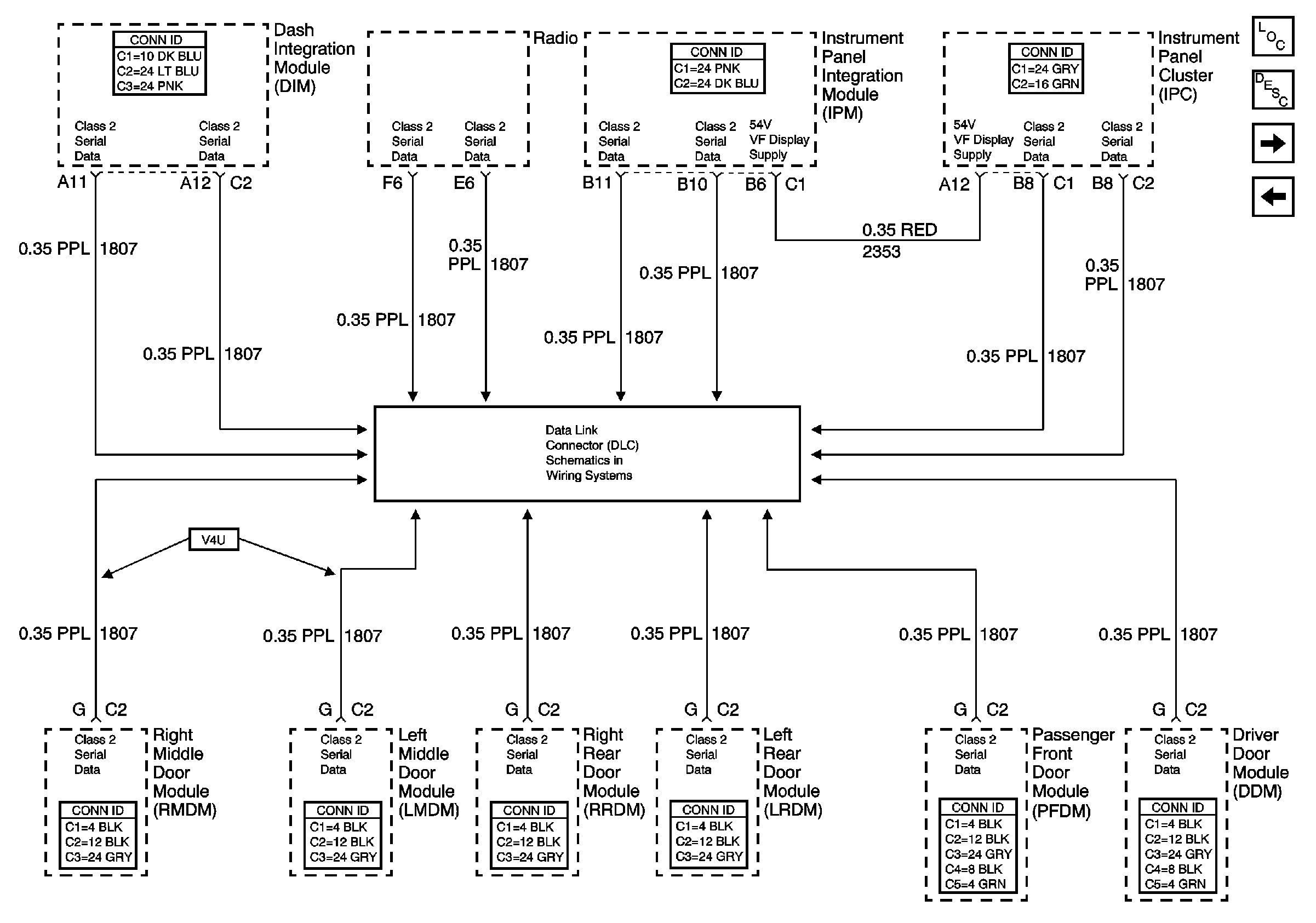
Class 2 Serial Data (1 of 3)