GM Service Manual Online
For 1990-2009 cars only
Makes
🢒
Cadillac
🢒
2001
🢒
DeVille
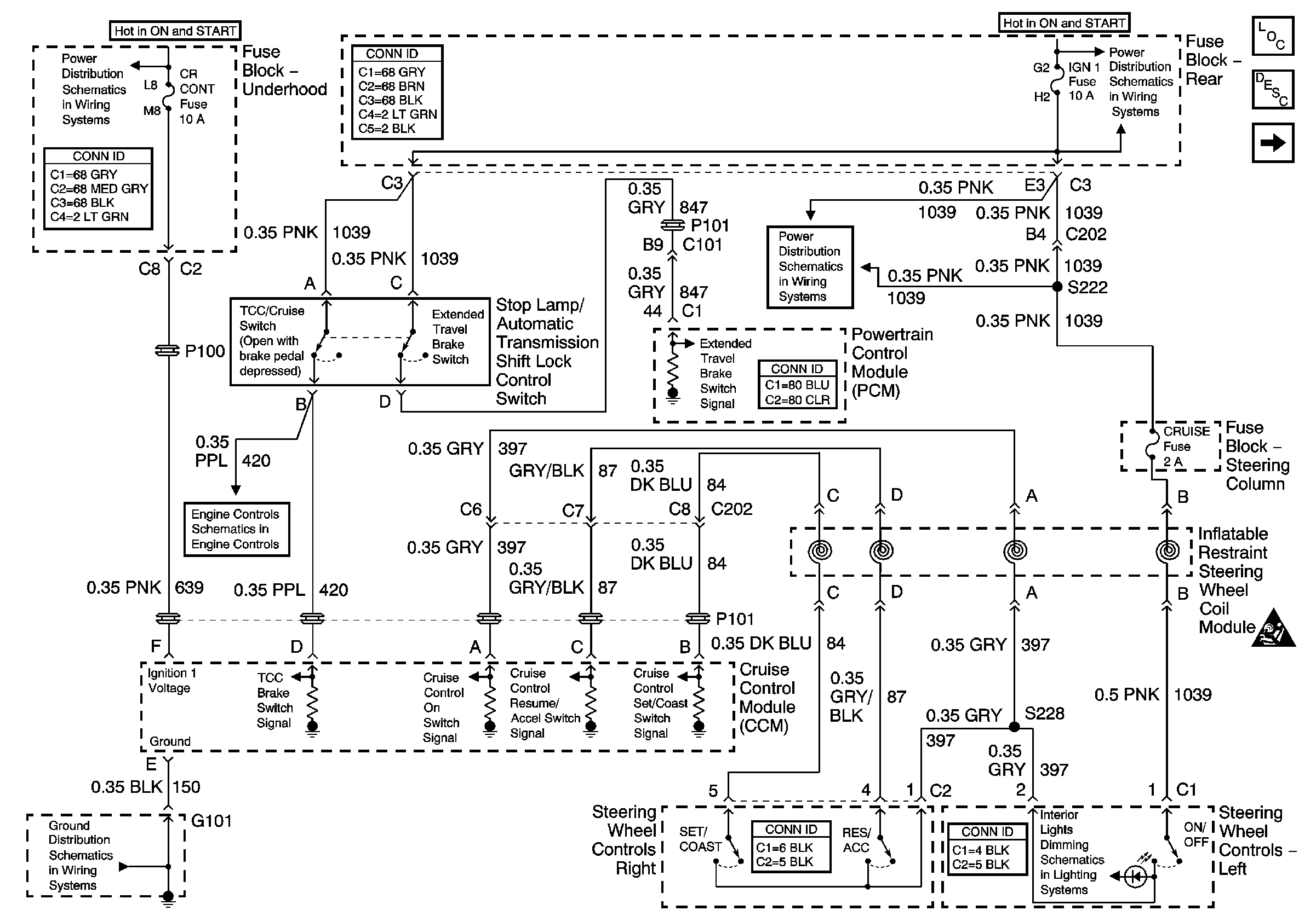
🢒 Cruise Control Switches and Module Power and Ground
Cruise Control Switches and Module Power and Ground
Cruise Control Switches and Module Power and Ground
Master Electrical Component List
Cruise Control Description and Operation
Cruise Control Module PCM Inputs and Vehicle Speed Input
SIR Caution
G101
ABS/TCC Switch and Automatic Transaxle Solenoids
Oxy Sen, CR Cont, MDL Coil, Trans Fuses
SIR, Vent Sol, and IGN 1 Fuses
SIR, Vent Sol, and IGN 1 Fuses