GM Service Manual Online
For 1990-2009 cars only
Makes
🢒
Cadillac
🢒
2002
🢒
DeVille
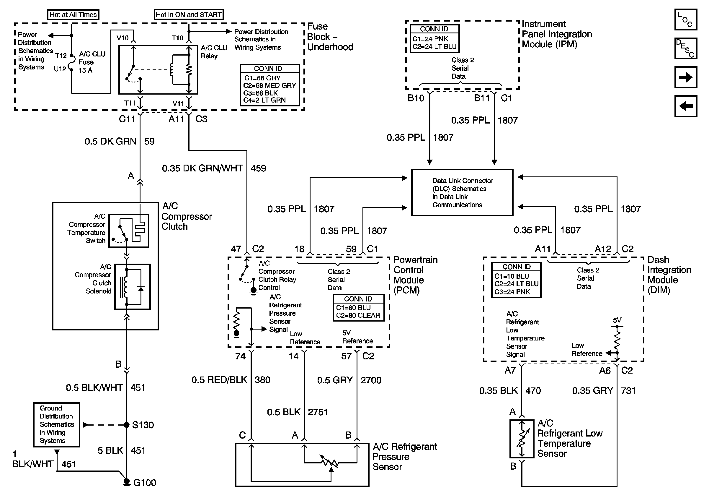
🢒 HVAC Compressor Control
HVAC Compressor Control
HVAC Compressor Control
Master Electrical Component List
Air Temperature Description and Operation
Steering Wheel Controls
Rear Blower Motor-DTS
Underhood Fuse Block Battery Voltage
Class 2 Serial Data (1 of 3)