GM Service Manual Online
For 1990-2009 cars only
Makes
🢒
Cadillac
🢒
2002
🢒
DeVille
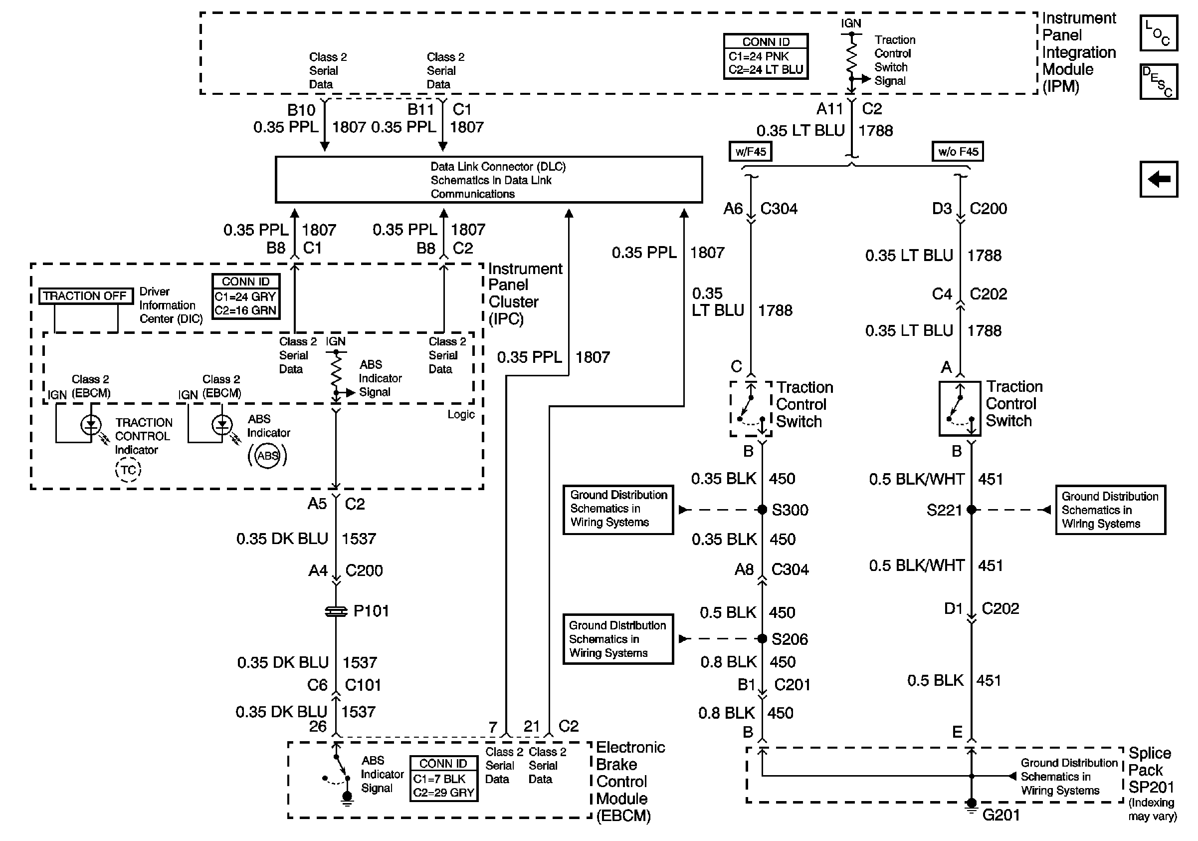
🢒 Indicators and Traction Control Switch
Indicators and Traction Control Switch
Indicators and Traction Control Switch
Master Electrical Component List
ABS Description and Operation
Suspension Inputs, Class 2, Traction Control, Variable Effort Steering
G201 1 of 3
G201 1 of 3
G201 2 of 3
G201 2 of 3
Class 2 Serial Data (1 of 3)