GM Service Manual Online
For 1990-2009 cars only
Makes
🢒
Cadillac
🢒
2002
🢒
DeVille
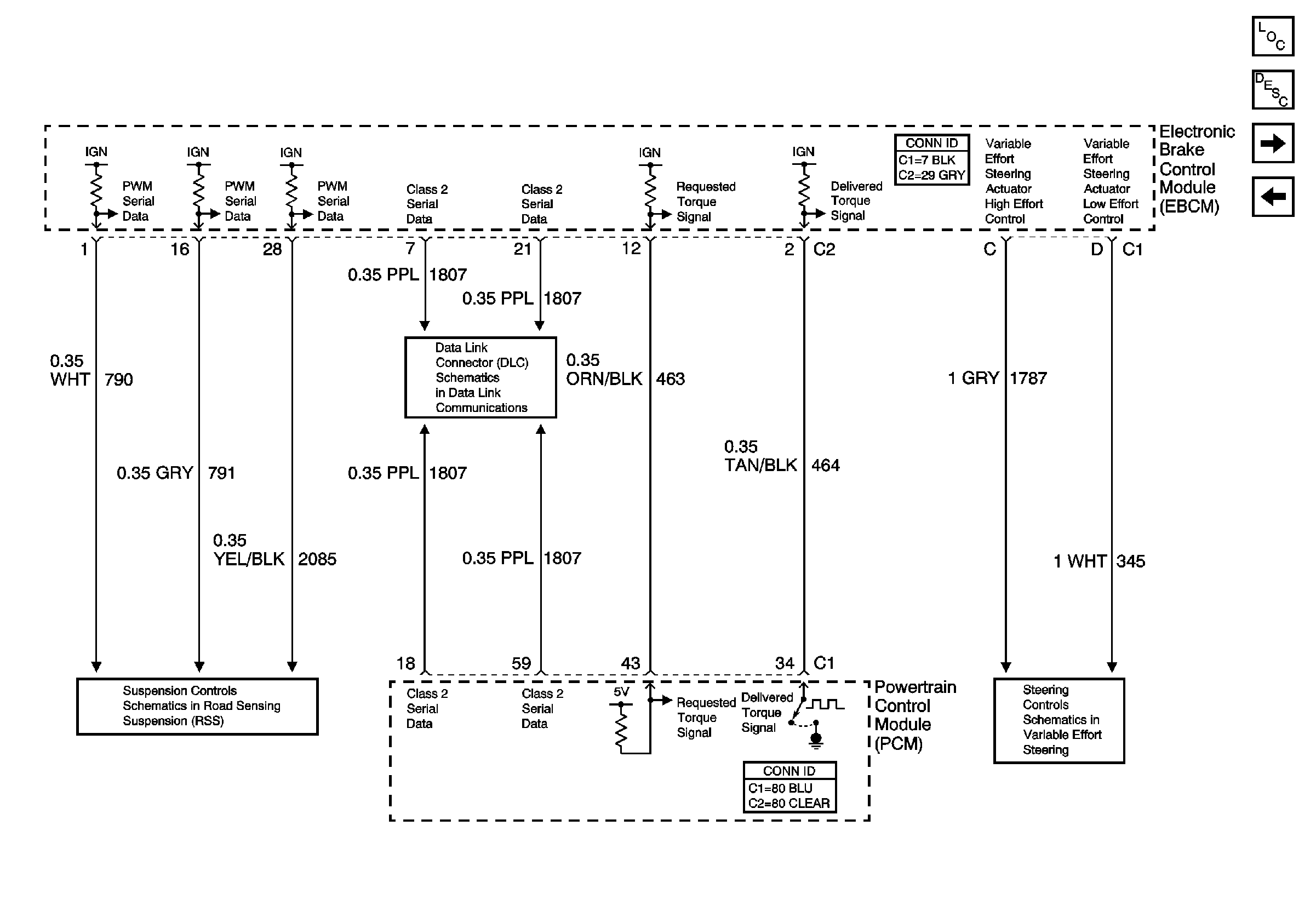
🢒 Suspension Inputs, Class 2, Traction Control, Variable Effort Steering
Suspension Inputs, Class 2, Traction Control, Variable Effort Steering
Suspension Inputs,Class 2, Traction Control,Variable Effort Steering
Master Electrical Component List
ABS Description and Operation
Indicators and Traction Control Switch
Vehicle Stability Enhancement System (w/JL4)
Steering Controls (w/NV8)
Electronic Suspension Control Module-Pwr and Gnd
Class 2 Serial Data (1 of 3)