GM Service Manual Online
For 1990-2009 cars only
Makes
🢒
Cadillac
🢒
2002
🢒
DeVille
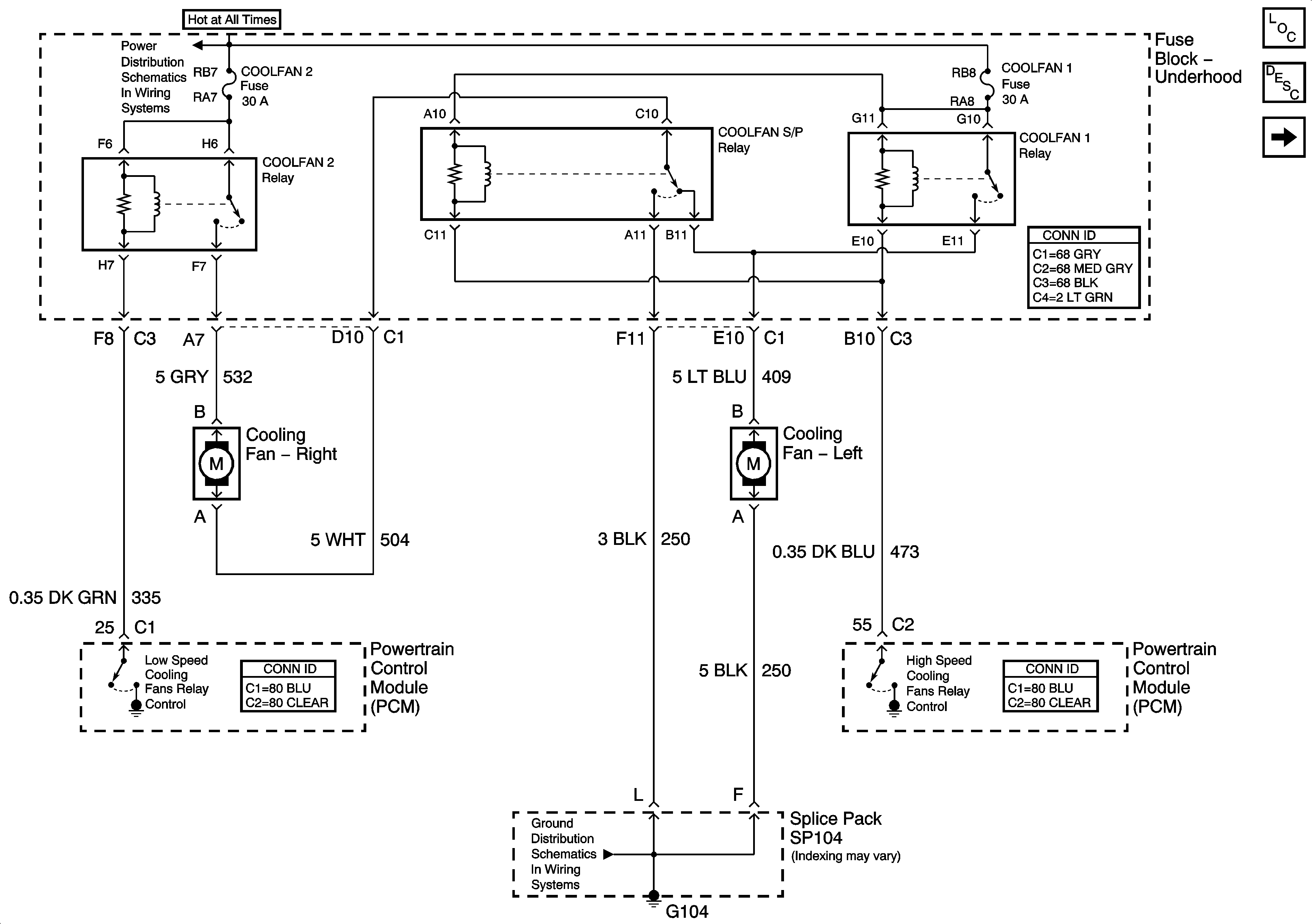
🢒 Cooling Fans
Cooling Fans
Cooling Fans
Master Electrical Component List
Cooling System Description and Operation
Engine Coolant Level Switch Signal
Cellular Telephone Module - Inputs and Outputs