GM Service Manual Online
For 1990-2009 cars only
Makes
🢒
Cadillac
🢒
2002
🢒
DeVille
🢒 Generator and Battery
Generator and Battery
Generator and Battery
Master Electrical Component List
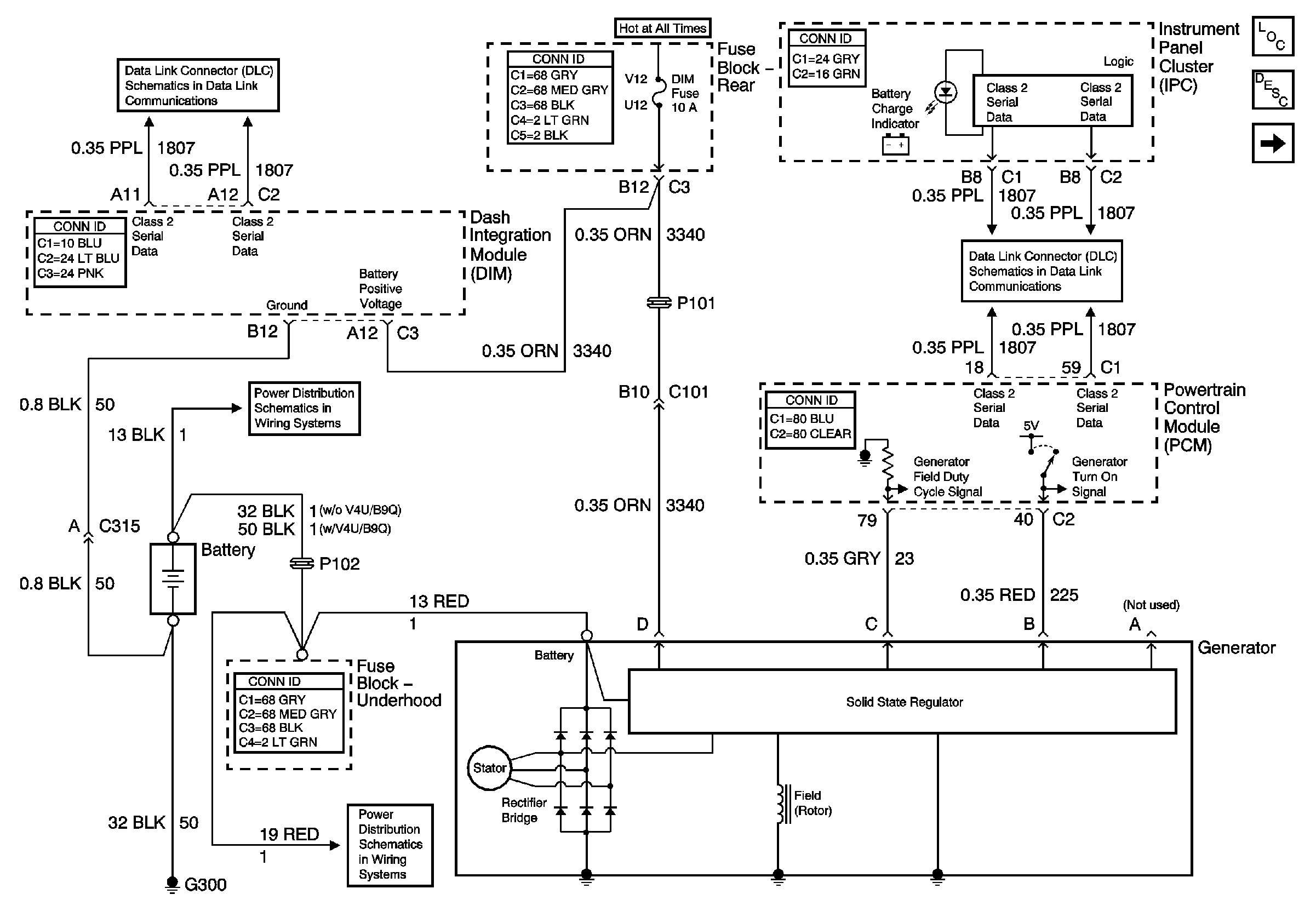
Charging System Description and Operation
Starter Solenoid Controls
Class 2 Serial Data (1 of 3)
Underhood Fuse Block Battery Voltage
Rear Fuse Block Battery Voltage
Class 2 Serial Data (1 of 3)