GM Service Manual Online
For 1990-2009 cars only
Makes
🢒
Cadillac
🢒
2002
🢒
DeVille
🢒 w/Console Shift
w/Console Shift
w/Console Shift
Master Electrical Component List
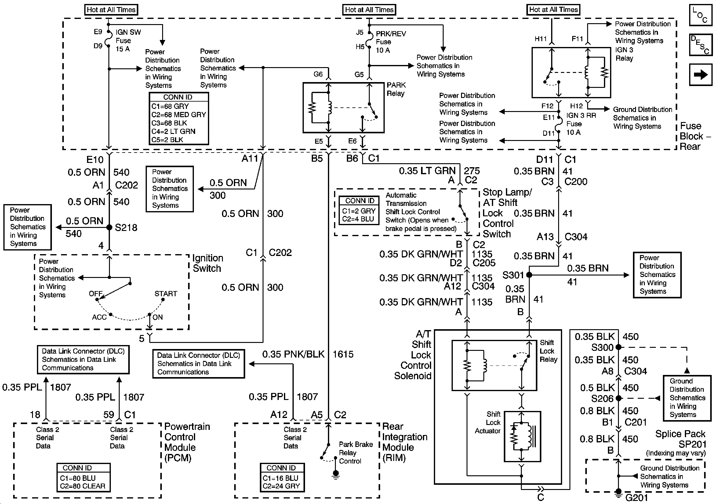
Automatic Transmission Shift Lock Control Description and Operation
w/Column Shift
G301
IGN 3 Fuses
G201 2 of 3
G201 2 of 3
Class 2 Serial Data (1 of 3)
Class 2 Serial Data (1 of 3)
Ignition Switch
Ignition Feeds to Underhood and Rear Fuse Blocks
RR BLO, RR DR MDL, HVAC, Stop LP, IGN SW, and TSIG/HAZ Fuses
Ignition Feeds to Underhood and Rear Fuse Blocks
Rear Fuse Block Battery Voltage
IGN 3 Fuses
IGN 3 Fuses
RR BLO, RR DR MDL, HVAC, Stop LP, IGN SW, and TSIG/HAZ Fuses