GM Service Manual Online
For 1990-2009 cars only
Makes
🢒
Cadillac
🢒
2002
🢒
DeVille
🢒 w/Column Shift
w/Column Shift
w/Column Shift
Master Electrical Component List
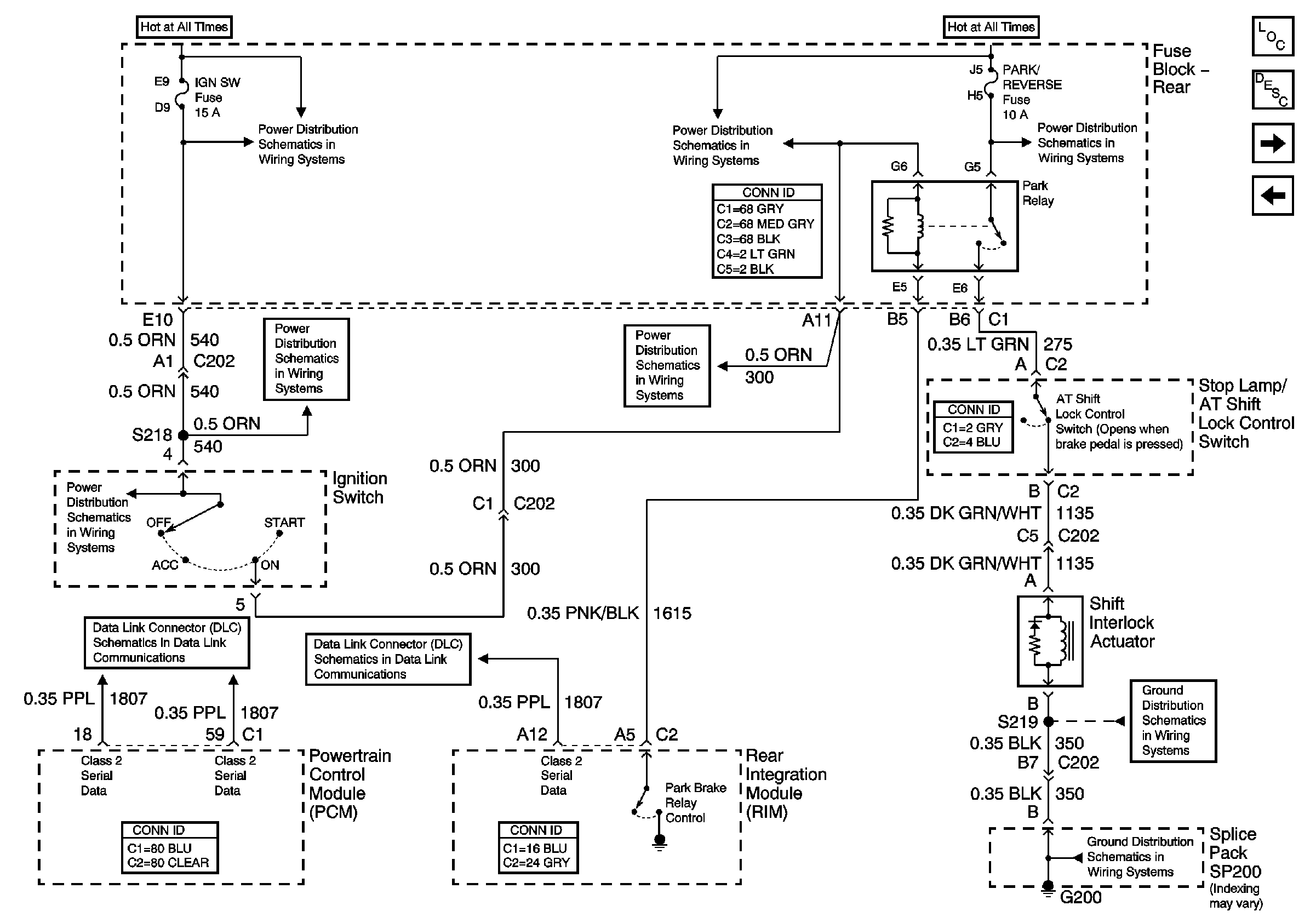
Automatic Transmission Shift Lock Control Description and Operation
Reverse Lockout Actuator Control
w/Console Shift
G201 2 of 3
G201 2 of 3
Class 2 Serial Data (1 of 3)
Class 2 Serial Data (1 of 3)
Class 2 Serial Data (1 of 3)
RR BLO, RR DR MDL, HVAC, Stop LP, IGN SW, and TSIG/HAZ Fuses
Class 2 Serial Data (3 of 3)
Class 2 Serial Data (3 of 3)
Rear Fuse Block Battery Voltage