GM Service Manual Online
For 1990-2009 cars only
Makes
🢒
Cadillac
🢒
2002
🢒
DeVille
🢒 Reverse Lockout Actuator Control
Reverse Lockout Actuator Control
Reverse Lockout Control (w/D55)
Master Electrical Component List
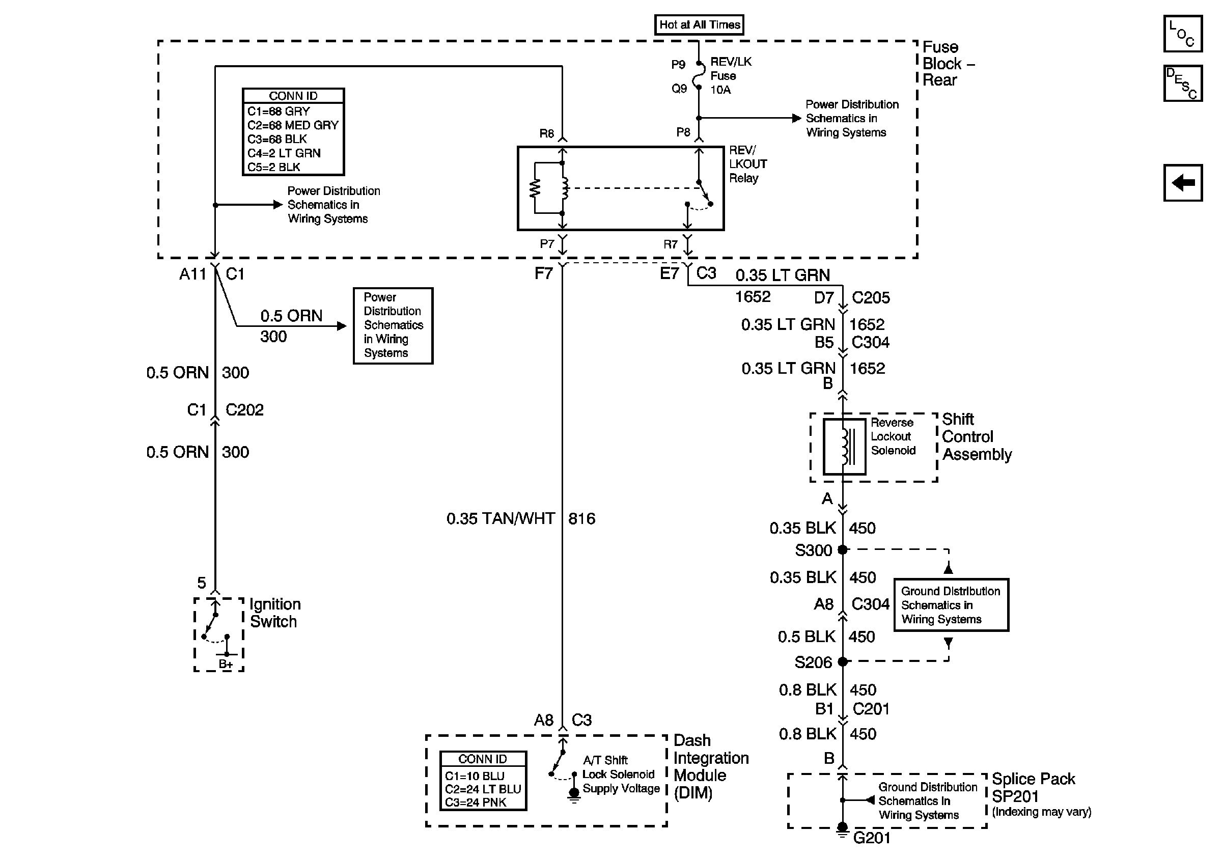
Reverse Lockout System Description and Operation
w/Column Shift
G201 2 of 3
G201 2 of 3
Ignition Feeds to Underhood and Rear Fuse Blocks
Ignition Feeds to Underhood and Rear Fuse Blocks
Ignition Feeds to Underhood and Rear Fuse Blocks