GM Service Manual Online
For 1990-2009 cars only
Makes
🢒
Cadillac
🢒
2002
🢒
DeVille
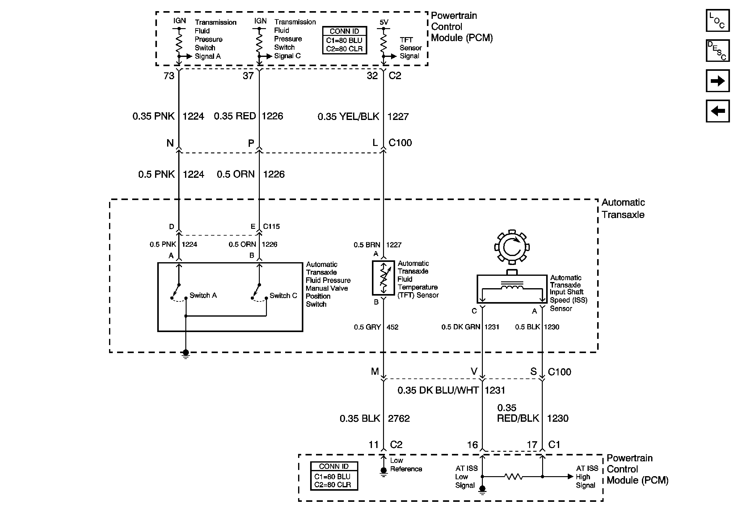
🢒 Automatic Transaxle - Sensors
Automatic Transaxle - Sensors
Sensors
Master Electrical Component List
Transmission General Description
Automatic Transaxle - IMS Switch and VSS
ABS/TCC Switch and Transaxle Solenoids