GM Service Manual Online
For 1990-2009 cars only
Makes
🢒
Cadillac
🢒
2002
🢒
DeVille
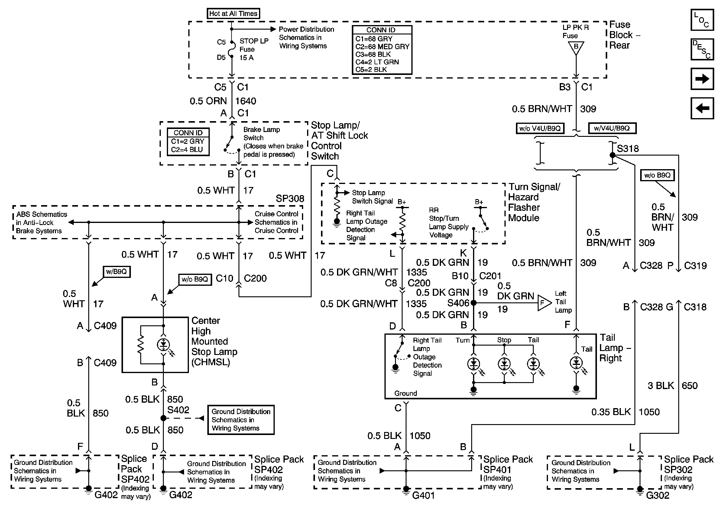
🢒 Right Tail Lamp
Right Tail Lamp
Right Tail Lamp and Center High Stop Lamp
Master Electrical Component List
Exterior Lighting Systems Description and Operation
Left Tail Lamp
Turn/Hazard Flasher Module, Hazard Switch
G302 3 of 3
G401
G402 2 of 2
G402 2 of 2
G402 1 of 2
Power, Ground, Stoplamp Switch, Solenoid Valves and Pump Motor
Cruise Control Module PCM Inputs and Vehicle Speed Input
Left Tail Lamp
Headlamp Switch, Park Lamp Relay
Headlamp Switch, Park Lamp Relay