GM Service Manual Online
For 1990-2009 cars only
Makes
🢒
Cadillac
🢒
2002
🢒
DeVille
🢒 02 Ksp Horns
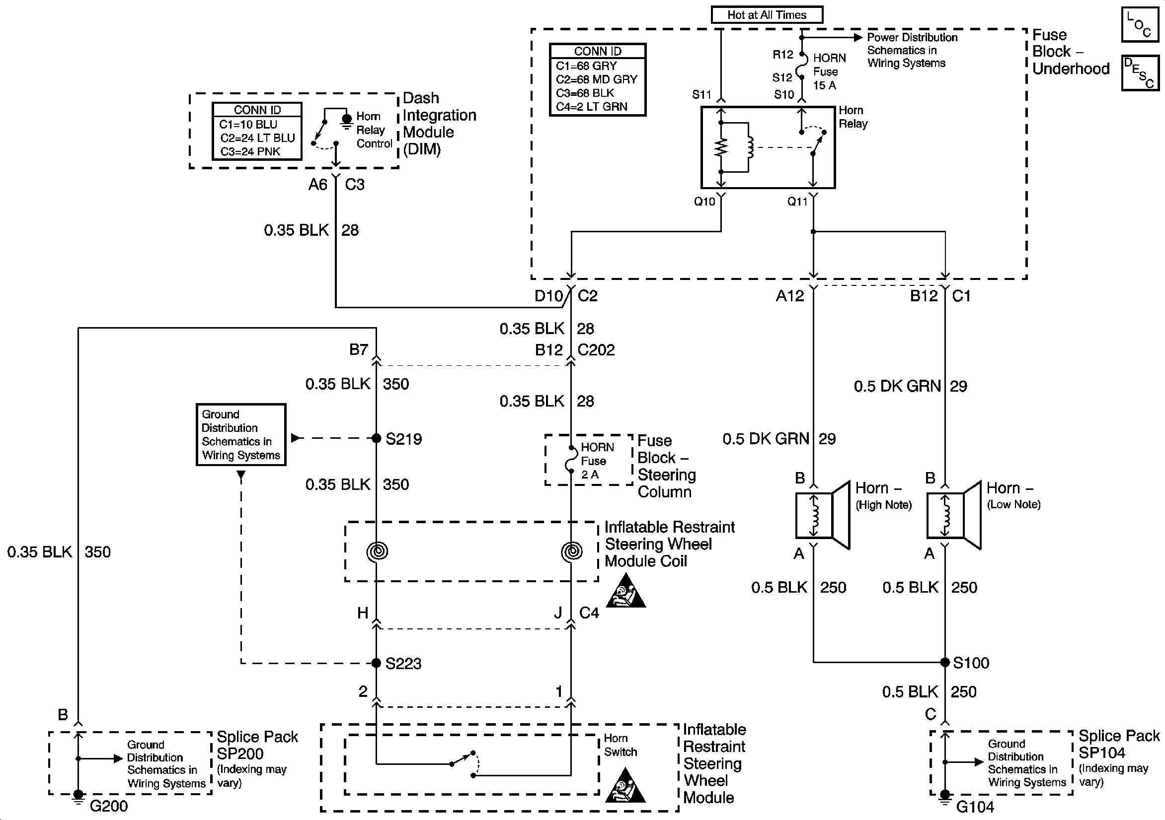
02 Ksp Horns
Master Electrical Component List
Horns System Description and Operation
Underhood Fuse Block Battery Voltage
G104
G200
SIR Caution
SIR Caution
G104