GM Service Manual Online
For 1990-2009 cars only
Makes
🢒
Cadillac
🢒
2002
🢒
DeVille
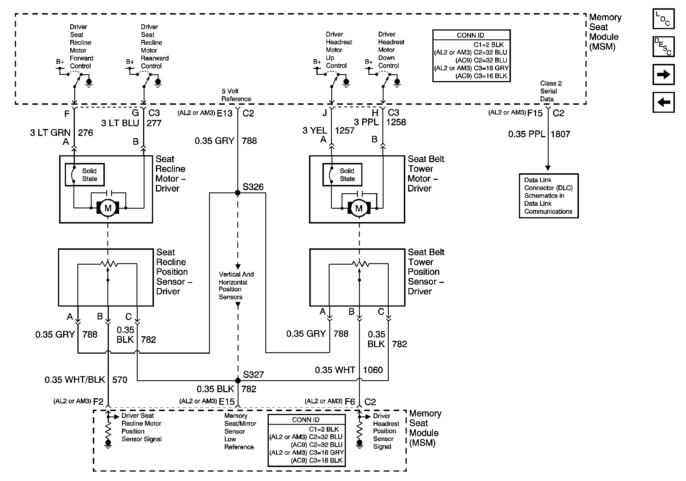
🢒 Recline, Belt Tower Motors and Position Sensors (Class 2)
Recline, Belt Tower Motors and Position Sensors (Class 2)
Driver Seat Recline and Seat Belt Tower Position Sensors (w/A45/AL2)
Master Electrical Component List
Memory Seats Description and Operation
Memory Function Switch (w/A45/AL9)
Front/Rear Vertical, Horizontal Motors, Position Sensors (w/A45/AL2)
Class 2 Serial Data (3 of 3)