GM Service Manual Online
For 1990-2009 cars only
Makes
🢒
Cadillac
🢒
2002
🢒
DeVille
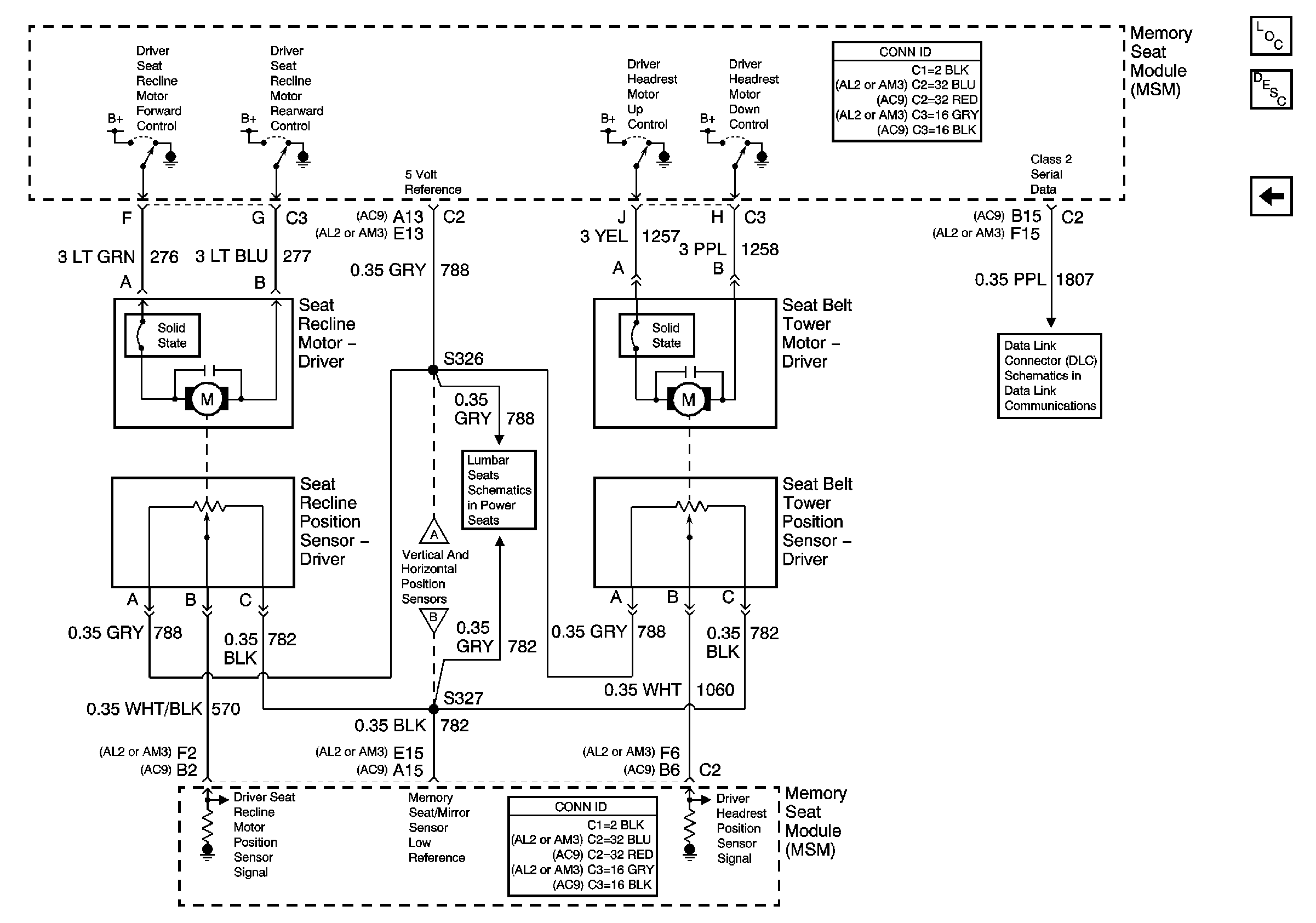
🢒 Belt Tower Motors, Recline Position Sensors, Class 2 (w/A45/AC9)
Belt Tower Motors, Recline Position Sensors, Class 2 (w/A45/AC9)
Driver Seat Belt Tower and Recline Position Sensors, Class 2 (w/A45/AC9)
Master Electrical Component List
Memory Seats Description and Operation
Front/Rear Vertical, Horizontal Motors and Position Sensors (w/A45/AC9)
Class 2 Serial Data (3 of 3)
Power, Ground, Motors Sensors, Switch and MSM (w/A45/AL2)
Front/Rear Vertical, Horizontal Motors and Position Sensors (w/A45/AC9)