GM Service Manual Online
For 1990-2009 cars only
Makes
🢒
Cadillac
🢒
2002
🢒
DeVille
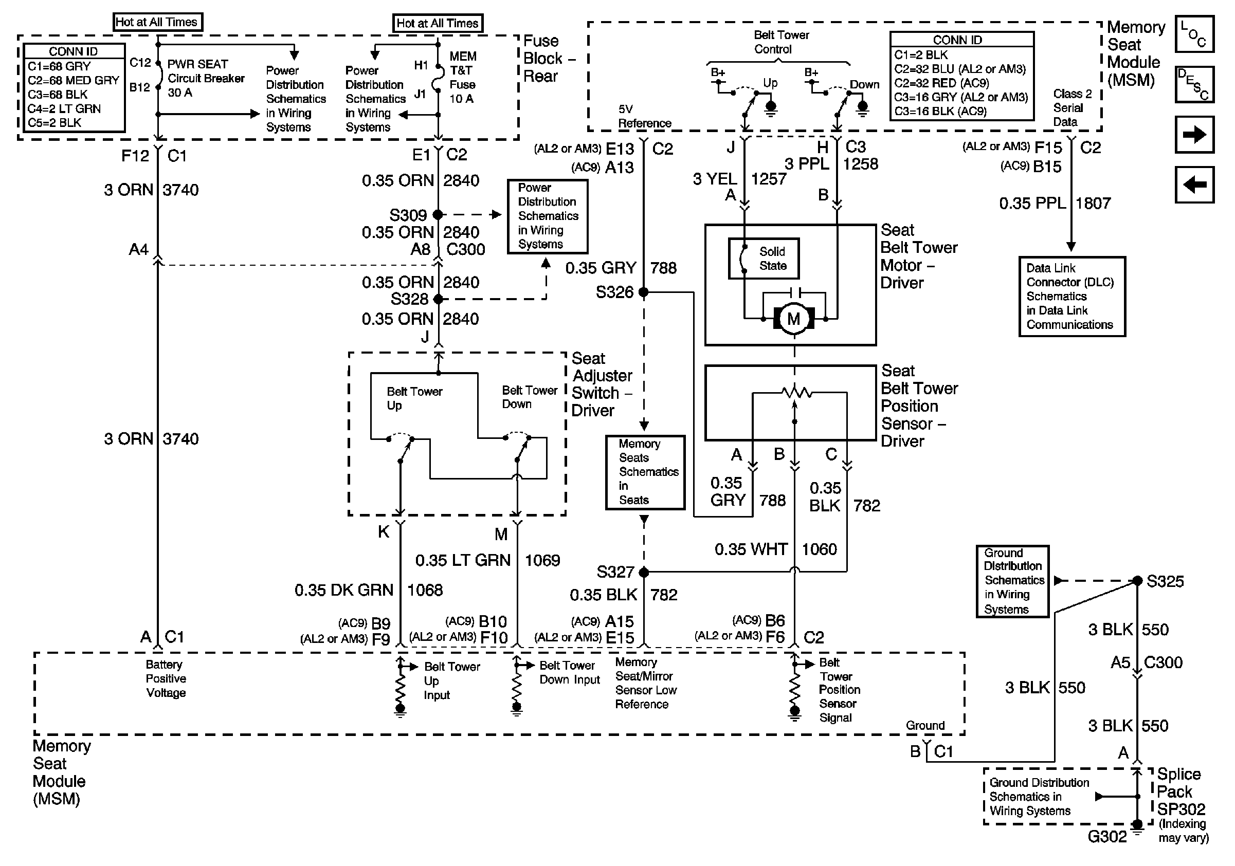
🢒 Power, Ground Left Belt Tower Switch, Motor, MSM (w/A45/AL2)
Power, Ground Left Belt Tower Switch, Motor, MSM (w/A45/AL2)
Power, Ground Left Belt Tower Switch, Motor, MSM (w/A45/AL2)
Master Electrical Component List
Seat Belt System Description and Operation
Fasten Seat Belt Switch and Indicator
Left/Right Belt Towers, Power, Ground, Switches and Motors
NAV Fuse and PWR Seat Circuit Breaker
MEM TT, RRLUM/ANT, and HTDST LF Fuses
MEM TT, RRLUM/ANT, and HTDST LF Fuses
Power, Ground, Motors Sensors, Switch and MSM (w/A45/AL2)
G302 2 of 3
Class 2 Serial Data (3 of 3)
G302 2 of 3