GM Service Manual Online
For 1990-2009 cars only
Makes
🢒
Cadillac
🢒
2002
🢒
DeVille
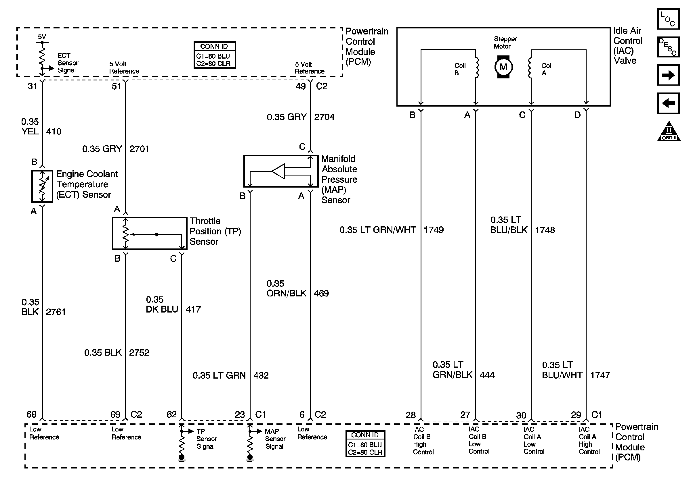
🢒 Engine Data Sensors - Pressure and Temperature
Engine Data Sensors - Pressure and Temperature
Pressure and Temperature Sensors
Master Electrical Component List
Powertrain Control Module Description
Engine Data Sensors, MAF, VSS and Extended Brake Travel Switch
Engine Data Sensors - 5 Volt and Low Reference
Data Link Communications Schematic Icons