GM Service Manual Online
For 1990-2009 cars only
Makes
🢒
Cadillac
🢒
2002
🢒
DeVille
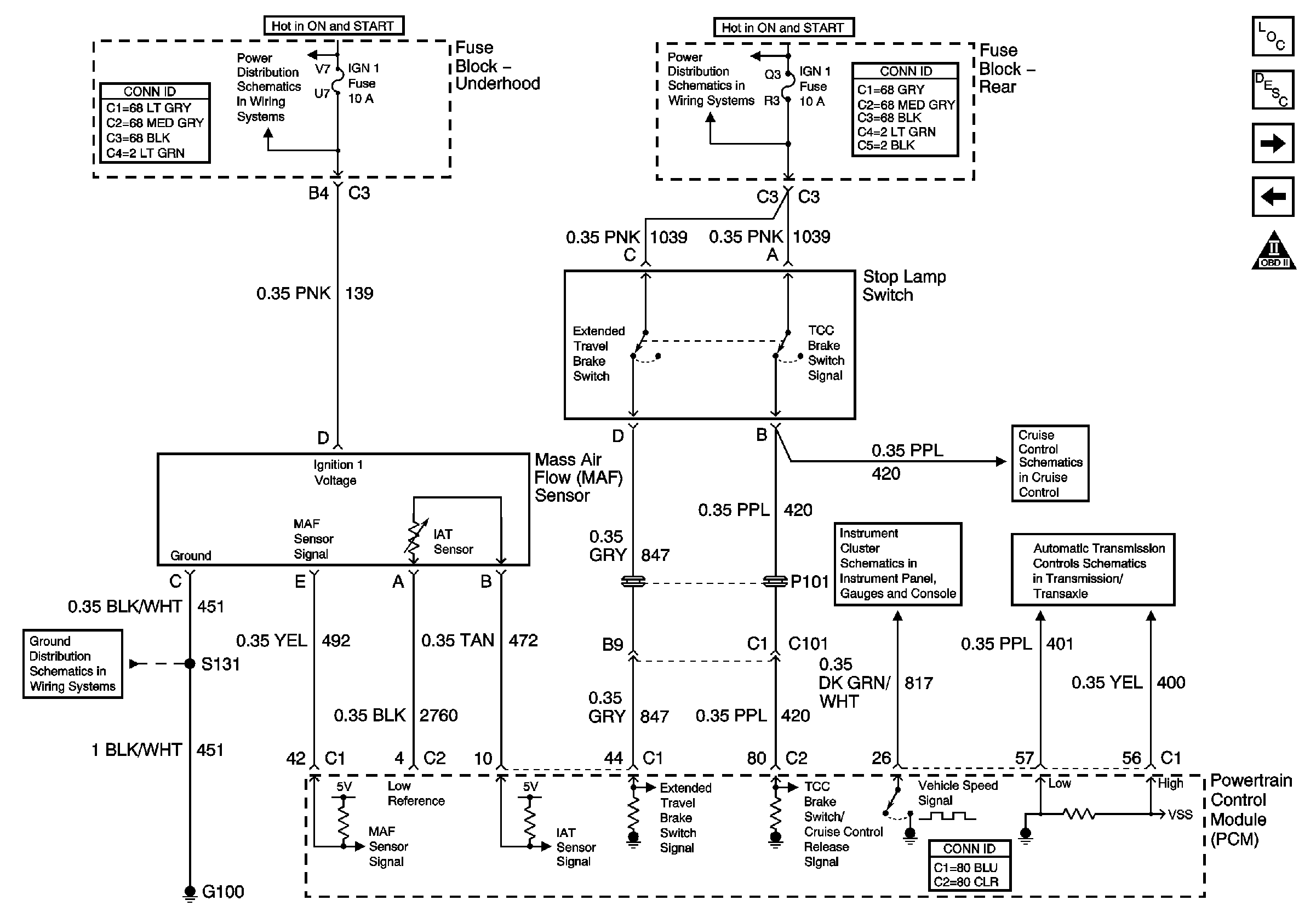
🢒 Engine Data Sensors, MAF, VSS and Extended Brake Travel Switch
Engine Data Sensors, MAF, VSS and Extended Brake Travel Switch
MAF,VSS and Extended Brake Travel Switch Sensors
Master Electrical Component List
Powertrain Control Module Description
Engine Data Sensors - O2S and / or HO2S
Engine Data Sensors - Pressure and Temperature
Data Link Communications Schematic Icons
Cruise Control Switches and Module Power and Ground
Automatic Transaxle - IMS Switch and VSS
4.3L Engine Controls Schematics (2 of 20)
G100
Start Circuit Breaker, PCM, IGN and IGN 1 Fuses
SIR, Vent Sol, and IGN 1 Fuses