GM Service Manual Online
For 1990-2009 cars only
Makes
🢒
Cadillac
🢒
2002
🢒
DeVille
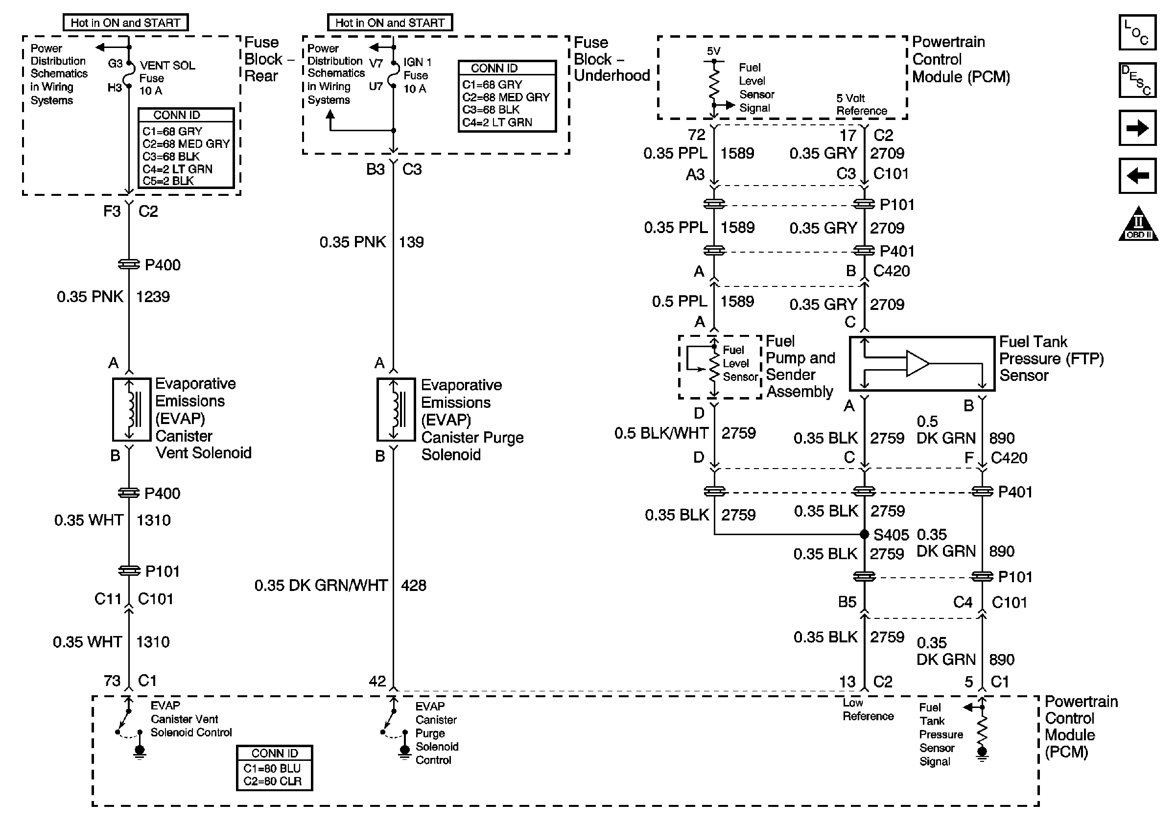
🢒 Fuel Controls - EVAP Controls
Fuel Controls - EVAP Controls
EVAP Controls
Master Electrical Component List
Powertrain Control Module Description
Device Controls
Fuel Controls - Fuel Injectors
Data Link Communications Schematic Icons
SIR, Vent Sol, and IGN 1 Fuses