GM Service Manual Online
For 1990-2009 cars only
Makes
🢒
Cadillac
🢒
2002
🢒
DeVille
🢒 Device Controls
Device Controls
Device Controls
Master Electrical Component List
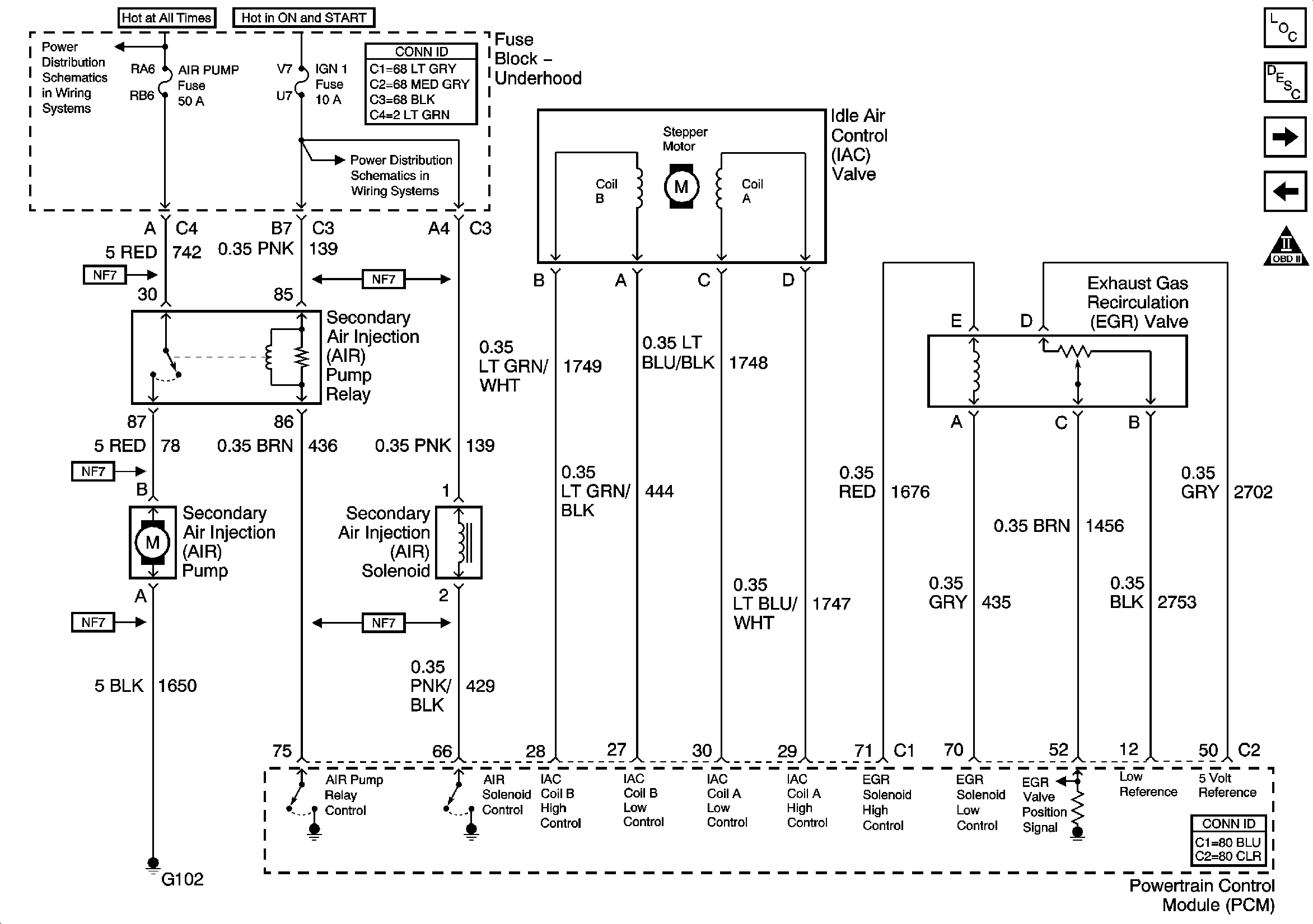
Powertrain Control Module Description
Controlled / Monitored Subsystem References
Fuel Controls - EVAP Controls
Data Link Communications Schematic Icons
G102,G103,G105,G106,G110