GM Service Manual Online
For 1990-2009 cars only
Makes
🢒
Cadillac
🢒
2004
🢒
DeVille
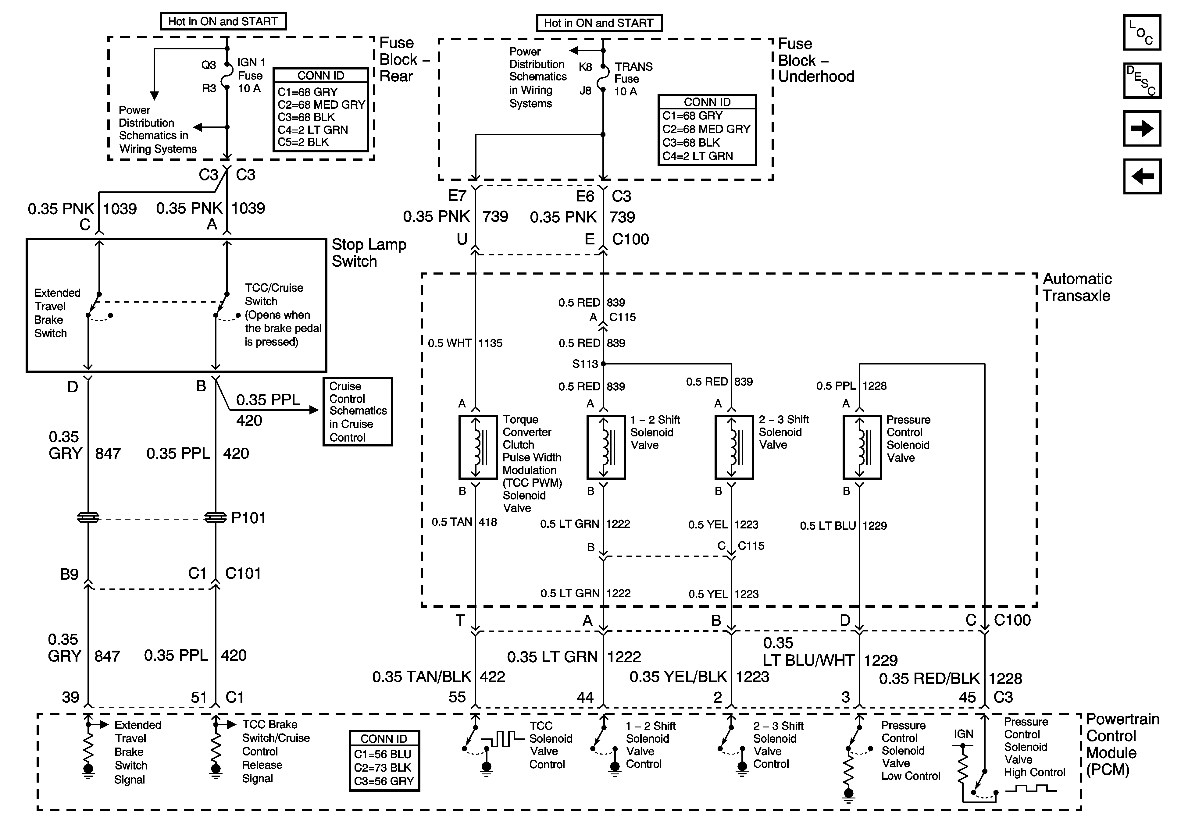
🢒 Solenoids and Stop Lamp Switch
Solenoids and Stop Lamp Switch
Stop Lamp Switch and Transaxle Solenoids
Master Electrical Component List
Transmission General Description
Internal Mode Switch and VSS
Sensors
Cruise Control Switches and Module Power and Gruond
Rear Fuse Block- SIR, VENT SOL, IGN 1Fuse
Underhood Fuse Block- OXY SEN, CR CONT, MDL COIL, TRANS Fuses