GM Service Manual Online
For 1990-2009 cars only
Makes
🢒
Cadillac
🢒
2004
🢒
DeVille
🢒 Subsystem References and Serial Data
Subsystem References and Serial Data
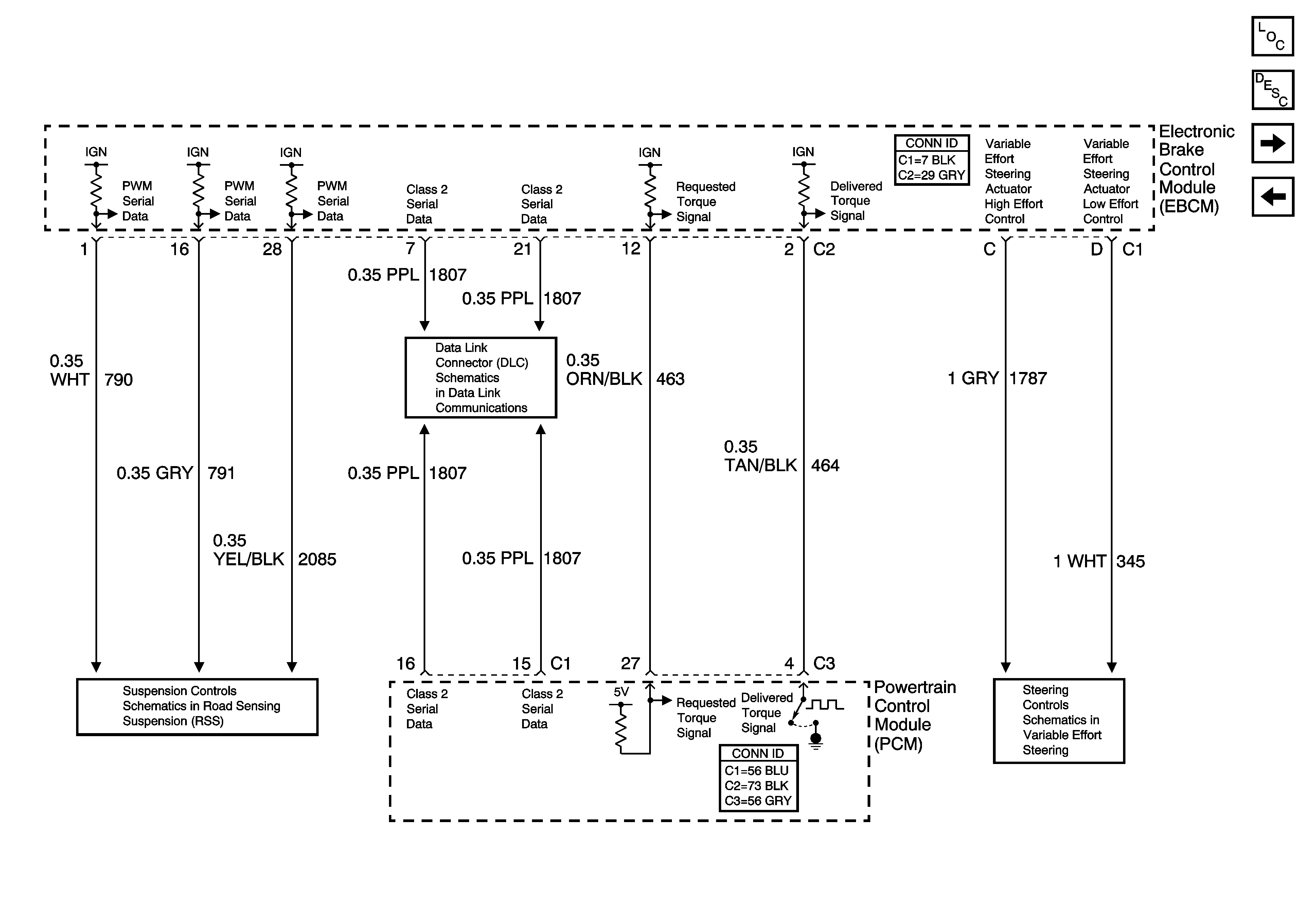
Suspension Inputs, Class 2, Traction Control, Variable Effort Steering
Master Electrical Component List
ABS Description and Operation
Indicators and Traction Control Switch
Vehicle Stability Enhancement System (w/JL4)
Steering Controls Schematics
ESC Module Power and Ground
Class 2 Serial Data (1 of 3)