GM Service Manual Online
For 1990-2009 cars only

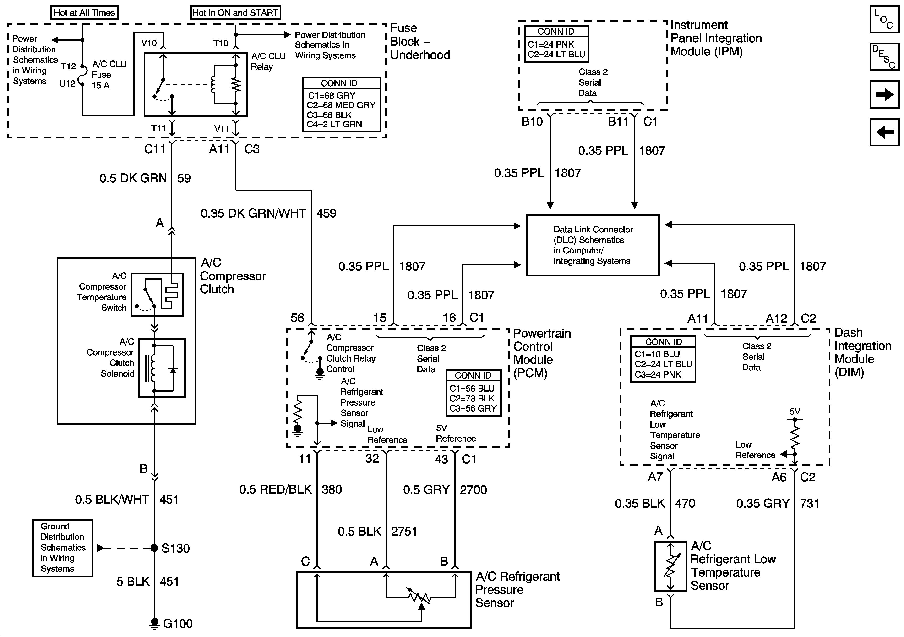
A/C Compressor Control

HVAC Compressor Control


Object Number: 1411416  Size: FS
Master Electrical Component List
Air Delivery Description and Operation
Actuators and Inside Air Temperature Sensor
Rear Blower Motor (DTS)
Underhood Fuse Block Battery Voltage
Underhood Fuse Block Battery Voltage
Class 2 Serial Data (1 of 3)
G100