GM Service Manual Online
For 1990-2009 cars only
Makes
🢒
Cadillac
🢒
2005
🢒
DeVille
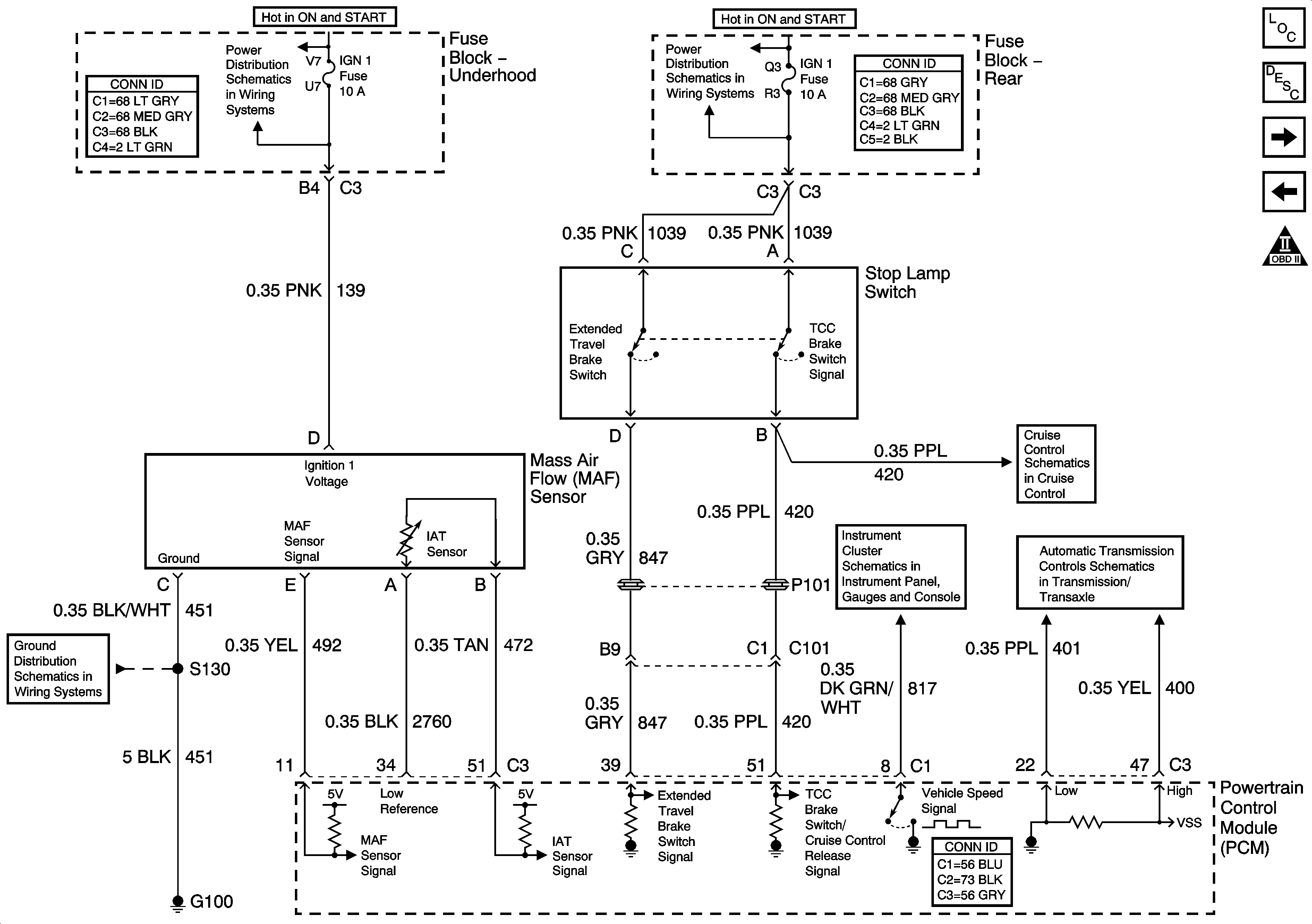
🢒 MAF, VSS, Stop Lamp Switch
MAF, VSS, Stop Lamp Switch
MAF, VSS, and Extended Brake Travel Switch Sensors
Master Electrical Component List
Powertrain Control Module Description
HO2S Sensors
Pressure and Temperature Sensors
OBD II Symbol Description Notice
PCM IGN and IGN1 Fuses
SIR, VENT SOL, and IGN 1 Fuse and IGN 1 Relay
G100
Gages
Switches and CCM Power and Gruond
Internal Mode Switch and VSS